基于SkyeModule M8模塊的UHF射頻讀卡器設計
射頻識別技術RFID是二十世紀九十年代興起的自動識別技術,是一項利用射頻信號通過空間耦合(交變磁場或電磁場)實現無接觸信息傳遞并通過所傳遞的信息達到識別目的的技術。它與早期的識別技術(條形碼、磁卡等)相比,具有可非接觸識別(識讀距離可以從10cm至幾十米)、存儲能力大、可識別高速運動物體、抗惡劣環境、保密性強、可同時識別多個識別對象等突出特點,因此它可在更廣泛的場合得到應用。
目前,工作頻率為的UHF的射頻讀卡器設計方法主要有三種:采用離散高頻元件設計、集成射頻芯片設計及OEM方法來完成射頻模塊。采用離散高頻元件設計讀卡器,電路的設計和調試難度非常大,開發設備要求高。針對這種情況,許多芯片制造廠商陸續也開發了UHF集成芯片,如Melexis公司推出的低功耗 FSK/FM/ASK收發器芯片TH71221就屬于這類芯片,但并沒有給出相應的開發評估板,開發起來還存在一定的困難。同時許多廠家推出了UHF射頻識別模塊,用戶可以通過OEM方法生產自己的UHF讀卡器,降低了開發難度,縮短開發周期。
射頻識別系統
一個典型的射頻識別系統主要由應用系統、射頻讀卡器和射頻標簽三部分組成(圖1)。射頻標簽和射頻讀卡器分別屬于信息載體和信息采集設備,而由它們所構成的射頻識別系統歸根到底是為應用系統服務的。射頻讀卡器與應用系統之間的應用程序接口API通常用一組可由應用系統開發工具(如VC++,VB,PB等) 調用的標準接口函數來表示。

UHF射頻讀卡器的設計
射頻讀卡器主要分為兩部分:控制模塊與射頻模塊。在射頻識別系統中,射頻讀卡器的任務是通過射頻模塊向標簽發射讀取信號,并接收標簽的應答,對標簽的對象標識信息進行解碼,再通過控制模塊將對象標識信息連帶標簽上的其他相關信息傳輸到應用系統計算機以供處理。在本設計中比較了眾多的射頻收發模塊最終選用由 Skyteck公司開發的Skymodule M8模塊。
M8模塊
M8模塊提供了一個低功耗、高性能、高效率的UHF讀卡器設計平臺,它是一個多協議OEM模塊,可以用來讀寫滿足ISO18000-6 A/B、EPC Class 0/0+或1、EPC Class1 Gen2和其它協議的頻率范圍為860~960MHZ的UHF標簽。還可以在現場通過升級固件程序來增加新的標簽協議和兼容性。M8模塊的射頻輸出功率可以通過程序在15mw~500mw之間范圍內設定。在5V電壓下,M8模塊的智能電源管理可以使電流低于100μA(休眠模式),這樣可以使設備用電池來驅動。為了簡化對M8模塊的操作,模塊留有一個20針的接口。只需要根據具體應用來設計相關的控制模塊,并通過導線與接口相連,就可以以指定的通訊方式與 M8模塊進行數據交互。與控制模塊的接口包括UART (TTL)、I2C和SPI,還可以通過RS-232、USB接口直接與計算機通訊。M8模塊內置有便攜式天線,還具有一個50Ω的輸出阻抗,用來與外部天線相連,模塊的讀卡距離與外部天線有著直接關系。其外觀圖如圖2所示。

控制模塊設計
由圖1可知,控制模塊主要包括兩部分:以微控制器(如單片機)為核心的控制單元和通訊接口單元。
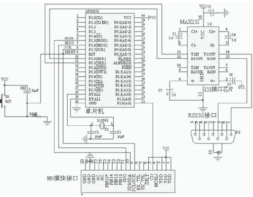
控制單元的主要功能就是對射頻模塊功能進行配置并與之通信取得射頻模塊所獲得的射頻標簽信息,將獲取的標簽信息通過通訊接口上傳給上位計算機,同時也可以接收上位機對射頻讀卡器的配置指令。還有,射頻讀卡器還需要留有一個可以直接與計算機通訊的接口,有利于上位機軟件的設計與開發。因此,需要根據控制單元的功能要求來選擇控制單元微控制器,并實現各種通信接口。在此,控制單元是一個以AT89S53為核心的單片機系統,該單片機片內含有12K Bytes的Flash Memory和256Bytes×8的RAM,3個16位定時器/計數器,9個中斷源,可編程串行UART通道,SPI接口。
通訊接口單元又可以分為兩部分:芯片級總線接口單元(M8模塊支持I2C、SPI、UART等)和現場總線級接口單元(RS232、RS485、CAN總線等)。控制單元通過芯片級總線接口單元來對射頻模塊進行配置和讀取射頻模塊所捕獲的射頻標簽信息。
在本設計中控制模塊上需要留有一個接口,一方面與單片機的SPI引腳相連,另一方面通過導線與M8模塊通訊,這樣就實現了控制模塊與M8模塊的通訊。為了將所采集的標簽信息傳輸給上位計算機,可以使控制模塊與計算機之間通過串口通訊。控制模塊的電路原理圖如圖3所示。

軟件設計
本設計中單片機軟件主要分為兩部分:單片機與M8模塊之間的SPI通訊和單片機與上位計算機的串口通訊。Skyteck公司已經為M8模塊制定了專門的通訊協議,單片機只需要按照通訊協議格式就可以通過SPI接口與M8模塊進行通訊,讀 取標簽信息或對M8模塊進行配置。為了實現單片機與計算機之間的通訊,也需要制定兩者之間的通訊協議。這樣,單片機就可以把獲得的標簽信息按照通訊協議的格式傳輸給計算機。用戶則可以根據具體應用,開發出相應計算機軟件來對標簽信息進行管理。
結語
目前,筆者已經采用M8模塊設計出了射頻讀卡器,并通過選擇合適的天線并將其應用在遠距離人員考勤系統中。通過讀卡器對人員的非接觸信息采集,然后把信息傳到上位機,可以對人員進行有效的管理,用來瀏覽、查詢、統計和修改數據庫內的員工信息。該讀卡器在實際應用中操作方便、運行可靠。