基于電子紙技術的無線電子標簽研究
1 引言
射頻技術已獲得廣泛應用,尤其是在各行各業的管理中,如:銀行的電子錢包、商業會員卡、公交卡、醫療保險卡、食堂售飯卡、門禁考勤卡、身份證卡等,隨著管理的計算機化,基于射頻技術的應用將越來越廣,無線電子標簽就是基于射頻技術產生的。具有顯示功能,可通過計算機進行集中管理。電子紙(ePaper)是新一代的顯示裝置,其特點是對比度超高,超低功耗.只有刷新屏幕時才用電,斷電保持顯示,超薄,最薄可做到0.1 mm,柔韌性良好,可任意彎曲折疊.基于電子紙以上特性.這里采用電子紙這一新型顯示元件設計一種無線電子標簽。
2 無線電子標簽的工作原理
無線電子標簽又名智能標簽(Tag或Smart Labe1),其核心是采用射頻識別RFID (Radio Frequency Identification)技術的,具有一定存儲容量的器件。射頻識別RFID是一種非接觸式的自動識別技術.它通過射頻信號自動識別目標對象并獲取相關數據,無須人工干預.可工作于各種惡劣環境。無線電子標簽由IC器件、感應天線、通信接口以及顯示模塊組成。無線電子標簽的讀寫過程:讀寫設備(基站)通過天線定時向周圍環境輻射電磁波,然后進入接收狀態,等待電子標簽(應答器)應答。由于RFID 自身不含電源,因此RFID進入電磁場時,首先通過自帶的天線耦合讀寫器發射電磁波,將其整流濾波.對內部的一個電容充電。當電容電壓上升到特定值時.無線電子標簽已具備足夠能量,此時電子標簽啟動。控制器件與電子紙顯示模塊通信,將一些數據發送到電子顯示模塊中,并返回信號給讀寫器。
無線電子標簽IC依據ISO/IEC l5693使用13.56 MHz頻率。無線標簽上除IC外還有RF電路和電子紙用的驅動電路、內存和升壓電路等。ISO/IEC 15693是通過電磁感應獲得電壓的通信方式,這里所開發的元件的電壓為+3 V,由于驅動電子顯示元件需+15 V.因此使用升壓電路,并采用獨立電源為電子紙驅動模塊供電。系統硬件框圖如圖1所示。

電子紙是在兩層透明軟片問夾放帶靜電的有色小球.兩種顏色顆粒、各帶正負不同電荷。膠片外面加以正負電極,因為同性排斥、異性相吸原理,小球位置移動,從而點亮某段。電子紙真值表與靜態顯示液晶模塊相類似,分為SEG段和TopPlane段.當SEG段和TopPlane段存在電勢差時,電子紙中的電子墨水就會移動,相應段就會點亮或熄滅。
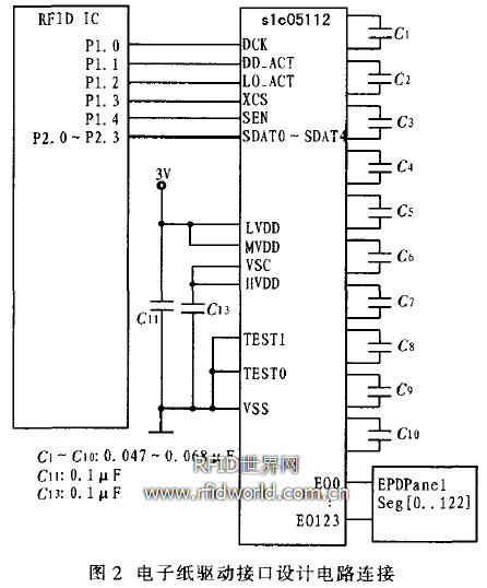
電子紙需要專門的驅動器才能驅動顯示,這里電子紙驅動器件采用EPSON公司生產的slc05112.slc05112內置接口電路和驅動電子紙模塊,3 V供電,便于與MCU通信。電子紙驅動模塊分別與MCU的I/O端口相連接.通過I/O端口模擬電子紙驅動模塊時序圖。主控制器可以通過軟件實現電子紙驅動模塊的初始化啟動、刷新顯示和關斷。圖2為電子紙驅動接口設計電路連接。

4 數據存儲和處理系統
數據存儲和處理系統應用框圖如圖3所示。

(1)數據通訊功能即向上與計算機、向下與無線電子標簽之間的通訊,數據存儲處理模塊與計算機之問的通訊采用RS232方式;數據通訊處理模塊與計算機之間的通訊可采用RS232,也可以是RS485方式實現數據的遠程傳輸(理論通訊距離是1200 m):
(2)數據暫存功能由于無線電子標簽往往固定在貨架上,價格數據最終由計算機處理,所以應將價格等商品顯示信息寫入該系統,因此必須具有存儲功能.以獲得一個與計算機獨立的工作過程, 即在刷電子標簽時不獨占計算機,只有在下載數據時需要計算機:
(3)動態鏈接庫方式使用動態鏈接庫方式,使安裝在計算機內的管理程序與數據存儲和處理模塊連接.可縮短各種應用系統的開發周期:
(4)電源供電可充式鋰電,停電后機內數據可保存至少1個月以上,甚至更長時間:
(5)LCD顯示LCD顯示器接口,小鍵盤輸入。
5 RFID 電子標簽在超市中的應用
在超市等零售市場上,不同的時間段價格也不盡相同。每當價格有變化時就得重新更換價格標簽。而使用新型顯示元件后就可以通過寫入器發送并顯示新的價格信息。從而節省人力,同時也環保。超市商品的價格通常是通過電腦集中管理,然后打印價簽貼到貨架的標簽欄,由于超市的商品種類繁多,人工操作造成一些錯誤。使用RFID后,物流和信息流可以實現對稱。從而提高價格的精確性。
RFID系統可實時更新,使用方便,容易查找需要更新價格的單品,利用無線電波感應,使得查找商品變得更加容易 。
RFID電子標簽系統安裝和調試非常簡單,后期的使用和運營維護也十分便捷,可提高識別商品的速度,能夠提供可靠的性能和高度的安全性。
6 結束語
無線電子標簽應用領域非常廣泛,但往往缺乏顯示功能。傳統的顯示方式不能從根本上解決功耗問題而電子紙可解決這一難題。
本文首先闡述了無線電子標簽技術, 隨后提供一款通用器件的電子紙接口,該接口兼容型強,只需幾個I/O端口即可實現驅動電子紙的顯示, 同時設計數據存儲與處理系統。該系統能夠更新電子標簽信息,使信息傳遞及時準確。最后提出了電子紙無線標簽的一種典型應用,即超市價格簽。該應用完全顛覆了現有的超市價格更新體系,可自動完成耗時的勞動密集型工作,使超市的工作人員集中精力從事深層次的為消費者的服務工作。