基于 RFID 的數據采集網絡的設計與實現
作者:文維 張紅雨 謝方樂
來源:電子設計工程
日期:2010-01-29 09:54:25
摘要:基于RS485標準利用超高頻RFID讀寫器構建數據采集網絡,遵循IS018000-6B協議的電子標簽中的數據,很好解決了多點高密度數據采集的難題。網絡節點數目可以根據具體應用場合靈活設置,最多可以拓展至256個數據采集節點。節點終端設備還配置有USB接口、LCD顯示、聲光提示、時鐘模塊等,也可以脫機使用,作為通用的RFID讀寫器,讀、寫標簽、記錄操作時間等。
1 引言
射頻識別技術RFID(Radio Frequency Identification)作為一種高速發展的自動識別技術具有諸多優點:數據讀取方便快捷、識別速度快、可同時識別多目標、數據容量大、使用壽命長、應用范圍廣、標簽數據可動態修改等。因此其推廣應用越來越廣泛。但目前實際應用中的讀寫器大多只適合單機工作,不適合組網,不便于集中控制,不能應用到多點高密度數據采集場合。基于RS485標準利用超高頻RFID讀寫器構建數據采集網絡,遵循IS018000-6B協議的電子標簽中的數據,很好解決了多點高密度數據采集的難題。網絡節點數目可以根據具體應用場合靈活設置,最多可以拓展至256個數據采集節點。節點終端設備還配置有USB接口、LCD顯示、聲光提示、時鐘模塊等,也可以脫機使用,作為通用的RFID讀寫器,讀、寫標簽、記錄操作時間等。
2 整體方案設計
該系統借鑒計算機網絡中經典的C/S架構,利用RS485總線連接整個網絡。其中計算機作為網絡服務器,節點終端設備作為客戶機。計算機向各節點終端設備發送命令控制整個網絡,接收采集到的數據并做進一步處理;節點終端設備主要負責采集標簽數據,響應計算機的命令。系統選用的RS485器件MAX1483使網絡節點數最大可達到256個。系統方案框圖如圖1所示。
系統設計的重點在于節點終端設備的設計,即超高頻RFID讀寫器的設計。讀寫器的主要功能是發出詢問信號,選擇能量場內的應答器,建立數據通信鏈路并對應答器進行讀寫操作。超高頻RFID讀寫器的數據采集距離較遠,可達到1~30 m,通過軟件設置射頻收發模塊增益大小來控制讀寫距離,靈活地滿足實際要求。讀寫器硬件按照不同的功能可劃分為主控模塊、射頻收發模塊、電源模塊、數據存儲模塊、接口部分、時鐘模塊、LCD顯示模塊、聲光提示模塊及調試電路等,具體如圖2所示。
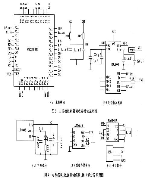
(2)射頻收發模塊選用RMU900超高頻讀寫模塊。該模塊通過天線解調、解碼射頻標簽發射的信號,把數據發送給主控器件實現數據的采集,或將命令和數據編碼、調制后經天線發送給標簽,實現對標簽的寫操作。數據的傳輸通過與C8051F340的串口O相連的TX0和RX0實現。圖3為主控模板和射頻收發模塊原理圖。
(4)數據儲存模塊存儲節點設備采集到的數據,待接收到計算機的發送數據命令后再將數據轉發到計算機。I2C接口的AT24C16容量為16 Kbit,可存儲2 K字節的數據。通過主控器件I/O端口模擬I2C時序,實現數據的讀和寫。
(5)接口部分RS485接口采用MAX1483器件。最多可驅動256個節點,通過RJ11接口實現與總線的連接:USB接口使用主控器件自帶的USB控制器,具有很高的可靠性。圖4是電源模塊、數據存儲模塊、接口部分的原理圖。
(6)其他模塊1602單色液晶顯示屏,可顯示采集到的數據和操作時間或實時時間。顯示數據的傳輸采用并行傳輸的方式,加快了屏幕的刷新頻率。聲光提示模塊提示操作完成情況。主要通過主控器件的I/O端口控制LED閃爍和蜂鳴器的鳴笛。時鐘模塊顯示數據采集的時間或實時時間。除板載電源外還設計有備用的紐扣電池,使掉電時時鐘不丟失。調試電路實現在線編程,向主控器件C8051F340燒寫程序,監測變量值的變化情況,調試程序,輔助完成軟件的編寫。圖5、圖6為上述模塊的原理電路圖。
系統的軟件設計包括上位機軟件和下位機軟件兩部分。上位機軟件部分主要針對計算機平臺,采用C++語言編寫.控制節點終端設備和接收節點終端設備發送的數據,然后做進一步處理。考慮到網絡的規模最大為256節點,上位機采用輪詢方式控制各個節點終端設備,維持整個網絡正常運行。控制節點終端設備的命令主要有:(1)發送數據命令:下位機接收到該命令的響應是發送采集到的數據,即緩存在數據存儲模塊中的數據;(2)寫標簽命令:下位機接收到該命令的響應是向感應區內的標簽寫入新的數據;(3)時間設置命令:下位機的響應是根據參數更新DS1302的數據;(4)設置功率命令:設置射頻收發模塊的發射功率以調節讀寫標簽的距離;(5)寫分機號命令:該命令為單機命令,可為每個節點終端設備寫入一個唯一的分機號,以便區別不同的終端設備。下位機軟件設計主要針對單片機平臺,采用C語言編寫,主要是各功能模塊的驅動程序,如射頻模塊的控制、數據存儲模塊的數據讀寫、時鐘模塊的輸出、LCD顯示模塊的數據顯示程序、USB接口的驅動程序等。圖7為下位機軟件流程圖。
通信協議是網絡正常工作必不可少的,主要是對計算機和節點終端設備間通信幀格式的具體規范與統一,例如幀長度確定、命令字意義、參數長度、幀起始標志、結束標志等。具體幀格式規定如表1所示。每幀數據有23字節,其中起始位1字節,固定為Oxaa;分機號1字節,可設置范圍為0~255;命令1字節,包括5個命令:OxOf、Ox2f、Ox4f、Ox8f、Oxaf,依次為發送數據命令、寫數據命令、時間設置命令、功率設置命令、寫分機號;數據17字節,包括標簽數據12字節和時間數據5字節;CRE校驗采用CRC-16,共2字節,是起始位到數據位之間所有數據的CRC校驗值;停止位1字節,固定為Ox55。
系統通過RS485總線實現上位機與下位機之間的通信。計算機根據分機號選擇不同節點終端設備,選擇命令代碼實現各命令,數據部分為操作響應代碼(“0”標識操作失敗,“1”標識操作成功)、相關參數(如時間設置命令中的時間參數)或返回具體數據(如標簽數據和時間數據)。
6 結束語
RFID技術以其優勢必將在信息化建設過程中得到推廣與應用。系統利用RFID技術構建一種低成本、高可靠性、維護方便的數據采集網絡。目前該網絡已應用于某公司自動生產線中。運行狀況良好,具有廣泛的應用前景。
射頻識別技術RFID(Radio Frequency Identification)作為一種高速發展的自動識別技術具有諸多優點:數據讀取方便快捷、識別速度快、可同時識別多目標、數據容量大、使用壽命長、應用范圍廣、標簽數據可動態修改等。因此其推廣應用越來越廣泛。但目前實際應用中的讀寫器大多只適合單機工作,不適合組網,不便于集中控制,不能應用到多點高密度數據采集場合。基于RS485標準利用超高頻RFID讀寫器構建數據采集網絡,遵循IS018000-6B協議的電子標簽中的數據,很好解決了多點高密度數據采集的難題。網絡節點數目可以根據具體應用場合靈活設置,最多可以拓展至256個數據采集節點。節點終端設備還配置有USB接口、LCD顯示、聲光提示、時鐘模塊等,也可以脫機使用,作為通用的RFID讀寫器,讀、寫標簽、記錄操作時間等。
2 整體方案設計
該系統借鑒計算機網絡中經典的C/S架構,利用RS485總線連接整個網絡。其中計算機作為網絡服務器,節點終端設備作為客戶機。計算機向各節點終端設備發送命令控制整個網絡,接收采集到的數據并做進一步處理;節點終端設備主要負責采集標簽數據,響應計算機的命令。系統選用的RS485器件MAX1483使網絡節點數最大可達到256個。系統方案框圖如圖1所示。

系統設計的重點在于節點終端設備的設計,即超高頻RFID讀寫器的設計。讀寫器的主要功能是發出詢問信號,選擇能量場內的應答器,建立數據通信鏈路并對應答器進行讀寫操作。超高頻RFID讀寫器的數據采集距離較遠,可達到1~30 m,通過軟件設置射頻收發模塊增益大小來控制讀寫距離,靈活地滿足實際要求。讀寫器硬件按照不同的功能可劃分為主控模塊、射頻收發模塊、電源模塊、數據存儲模塊、接口部分、時鐘模塊、LCD顯示模塊、聲光提示模塊及調試電路等,具體如圖2所示。

(2)射頻收發模塊選用RMU900超高頻讀寫模塊。該模塊通過天線解調、解碼射頻標簽發射的信號,把數據發送給主控器件實現數據的采集,或將命令和數據編碼、調制后經天線發送給標簽,實現對標簽的寫操作。數據的傳輸通過與C8051F340的串口O相連的TX0和RX0實現。圖3為主控模板和射頻收發模塊原理圖。

(4)數據儲存模塊存儲節點設備采集到的數據,待接收到計算機的發送數據命令后再將數據轉發到計算機。I2C接口的AT24C16容量為16 Kbit,可存儲2 K字節的數據。通過主控器件I/O端口模擬I2C時序,實現數據的讀和寫。
(5)接口部分RS485接口采用MAX1483器件。最多可驅動256個節點,通過RJ11接口實現與總線的連接:USB接口使用主控器件自帶的USB控制器,具有很高的可靠性。圖4是電源模塊、數據存儲模塊、接口部分的原理圖。
(6)其他模塊1602單色液晶顯示屏,可顯示采集到的數據和操作時間或實時時間。顯示數據的傳輸采用并行傳輸的方式,加快了屏幕的刷新頻率。聲光提示模塊提示操作完成情況。主要通過主控器件的I/O端口控制LED閃爍和蜂鳴器的鳴笛。時鐘模塊顯示數據采集的時間或實時時間。除板載電源外還設計有備用的紐扣電池,使掉電時時鐘不丟失。調試電路實現在線編程,向主控器件C8051F340燒寫程序,監測變量值的變化情況,調試程序,輔助完成軟件的編寫。圖5、圖6為上述模塊的原理電路圖。

系統的軟件設計包括上位機軟件和下位機軟件兩部分。上位機軟件部分主要針對計算機平臺,采用C++語言編寫.控制節點終端設備和接收節點終端設備發送的數據,然后做進一步處理。考慮到網絡的規模最大為256節點,上位機采用輪詢方式控制各個節點終端設備,維持整個網絡正常運行。控制節點終端設備的命令主要有:(1)發送數據命令:下位機接收到該命令的響應是發送采集到的數據,即緩存在數據存儲模塊中的數據;(2)寫標簽命令:下位機接收到該命令的響應是向感應區內的標簽寫入新的數據;(3)時間設置命令:下位機的響應是根據參數更新DS1302的數據;(4)設置功率命令:設置射頻收發模塊的發射功率以調節讀寫標簽的距離;(5)寫分機號命令:該命令為單機命令,可為每個節點終端設備寫入一個唯一的分機號,以便區別不同的終端設備。下位機軟件設計主要針對單片機平臺,采用C語言編寫,主要是各功能模塊的驅動程序,如射頻模塊的控制、數據存儲模塊的數據讀寫、時鐘模塊的輸出、LCD顯示模塊的數據顯示程序、USB接口的驅動程序等。圖7為下位機軟件流程圖。

通信協議是網絡正常工作必不可少的,主要是對計算機和節點終端設備間通信幀格式的具體規范與統一,例如幀長度確定、命令字意義、參數長度、幀起始標志、結束標志等。具體幀格式規定如表1所示。每幀數據有23字節,其中起始位1字節,固定為Oxaa;分機號1字節,可設置范圍為0~255;命令1字節,包括5個命令:OxOf、Ox2f、Ox4f、Ox8f、Oxaf,依次為發送數據命令、寫數據命令、時間設置命令、功率設置命令、寫分機號;數據17字節,包括標簽數據12字節和時間數據5字節;CRE校驗采用CRC-16,共2字節,是起始位到數據位之間所有數據的CRC校驗值;停止位1字節,固定為Ox55。
系統通過RS485總線實現上位機與下位機之間的通信。計算機根據分機號選擇不同節點終端設備,選擇命令代碼實現各命令,數據部分為操作響應代碼(“0”標識操作失敗,“1”標識操作成功)、相關參數(如時間設置命令中的時間參數)或返回具體數據(如標簽數據和時間數據)。

6 結束語
RFID技術以其優勢必將在信息化建設過程中得到推廣與應用。系統利用RFID技術構建一種低成本、高可靠性、維護方便的數據采集網絡。目前該網絡已應用于某公司自動生產線中。運行狀況良好,具有廣泛的應用前景。