“數字城管”的在線式電子巡查管理系統
作者:韓國軍
來源:單片機與嵌入式系統
日期:2010-01-12 09:24:34
摘要:城市巡查管理系統不僅為安保人員提供科學有效的監督和管理手段,更為重要的是對維護社會治安起到了防患于未然的作用。傳統的簽到方式的巡查管理系統主要依靠員工的自覺性,在預先規定的巡邏地點上定時簽到,這種方式難以實現對安保人員的科學、準確的考核與監控,存在虛假簽到現象。
引 言
城市巡查管理系統不僅為安保人員提供科學有效的監督和管理手段,更為重要的是對維護社會治安起到了防患于未然的作用。傳統的簽到方式的巡查管理系統主要依靠員工的自覺性,在預先規定的巡邏地點上定時簽到,這種方式難以實現對安保人員的科學、準確的考核與監控,存在虛假簽到現象。離線式電子巡查管理系統的出現實現了對安保人員的規范化和科學化管理,解決了傳統巡查方式存在的問題,提高了管理效率。隨著“數字城管”建設的推進,需要在定時、定點、定線路巡查管理的基礎上,能夠根據實際治安情況實現巡查線路和巡查時段的靈活管理,并能夠通過管理中心對巡查情況進行實時監控,確保巡查工作的有效性和事前預防的主導性。
采用GPRS或CDMA數據傳輸技術可以實現管理中心對安保人員的實時監控,但這需要額外增加安保人員的裝備配備,并且需要長期支付數據通信費用。通過對城市巡查管理系統的分析發現,無線對講機是目前城市巡查安保人員的必備裝備。本文基于無線對講系統,結合地理信息(GIS)技術、全球定位(GPS)技術、射頻識別(RFID)技術,設計了面向“數字城管”的在線式巡查管理系統,實現了巡查裝備的集成化、巡查管理的實時化與可視化。
1 系統功能分析及結構設計
巡查管理系統的基本功能是實現對巡查路線和巡查時間的完整記錄、查詢及分析,達到對巡查人員的有效監管和對事件的積極預防。為了進一步發揮巡查管理系統在維護社會治安方面的重要性和有效性,需要不斷采用新技術對巡查管理系統的功能進行升級和完善。通過對目前巡查管理系統功能的綜合分析,本設計所實現的巡查管理系統基本功能包括:定點RFID數據采集、GPS巡查線路的實時監控、移動電子圍欄設置、無線對講及話音監控、可視化管理、網絡化操作。
(1)系統網絡結構設計
本系統依靠城市巡查管理系統現有的無線對講機話音通信平臺。首先,在硬件方面對其進行優化改造和升級,實現話音空閑期調度指令和數據的雙向傳輸,達到實時監控的目的。其次,在系統管理軟件方面,基于Web-GIS進行系統管理軟件的設計和開發。最后,與“數字城管”系統平臺實現數據的共享和協同管理。在線式巡查管理系統結構框圖如圖1所示。
(2)系統的邏輯體系結構設計
本系統服務器端管理軟件的開發采用了美國ESRI(Environmental Systems Research Institute)公司推出的第二代基于Web的GIS平臺——ArcIMS。ArcIMS體系結構由兩大部分組成——客戶端和服務器端,屬于典型的Browser/Server架構。系統邏輯體系結構可分為表示層、邏輯層和數據層,如圖2所示。
2 便攜式巡查終端設計
便攜式巡查終端主要完成對RFID標簽的閱讀,對GPS位置和時間信息的獲取,以及通過無線對講信道進行指令響應和數據傳輸。由于便攜式巡查終端依賴于現有的無線對講設備,因此在肩咪中實現這些功能模塊將能適應多種型號的無線對講設備,同時采用低功耗器件來減小便攜式巡查終端對無線對講設備電源功耗的影響。本設計采用MSP430F2350為主控芯片,功能框圖如圖3所示。
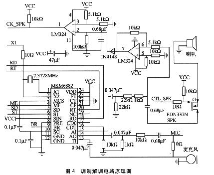
調制解調電路采用MSM6882集成芯片,外加一些音頻信號處理及控制電路,原理如圖4所示。該電路一方面從揚聲器提取音頻信號,然后通過限幅放大電路后,將音頻信號送給MSM6882進行解調;另一方面,MSM6882對來自MCU的數字信號進行模擬FSK調制,然后將所得的模擬音頻信號送給對講機的音頻輸入端口,從而實現在對講機模擬話音信道進行數據的傳輸。由于目前城市巡查管理系統中無線話音信道受到周圍的干擾比較大,信道質量通常比較差,因此調制解調電路對數據無線傳輸影響非常大。
由于巡查終端是嵌入到肩咪中的,因此對GPS模塊的體積要求非常高。本設計綜合考慮GPS模塊的體積、功耗、定位精度,選擇了臺灣長天公司的M91 GPS模塊。該模塊采用了臺灣聯發科技GPS晶片組,尺寸僅為12 mm×12 mm×2.2 mm,32通道,靈敏度為-159 dB。另外采用S型四螺旋全向GPS天線,適合便攜式使用。GPS模塊電路如圖5所示。
(3)RFID讀頭電路
RFID讀頭電路采用了EM4095基站讀寫芯片,載波工作頻率為100~150 kHz,可以對EM400X、EM4050、EM4150等標簽進行操作。圖6為RFID讀頭電路原理,其工作頻率由以下關系式確定:
(4)電源管理模塊
巡查終端工作所需電源來自對講機,由于不同型號對講機對外提供的電源電壓不同,因此為了終端的兼容性,必須對來自對講機的電源進行處理;同時由于主控:MCU采用3.3 V電源供電,而GPS和RFID采用5 V供電,這要求電源電路能夠提供相應電壓。為了給終端提供穩定的工作電源,采用SPX5205-3.3和SPX5205-5線性電源轉換芯片。電源轉換電路如圖7所示。
(5)PTT控制電路
PTT控制電路用來控制對講機射頻發送信號,當PTT激活時,對講機將進行射頻信號發送。本設計中PTT由MCU來控制,當MCU有數據發送時,MCU先激活PTT,然后通過調制解調模塊將數據發送到音頻信道,從而實現模擬信號的調制發送。數據發送完后,MCU停止給調制解調模塊發送數據,經過一定的延時,MCU再關閉PTT。
結 語
隨著現代科學技術的發展,人們對城市巡查管理的要求不斷提高,城市安保人員需要配備多種裝備來完成日常巡查任務。離線式巡查管理系統實現了對安保人員巡查情況的準確了解,但因為數據的分析存在一定的滯后性,不能適應實時管理要求。通過對現有巡查管理裝備的研究分析,本設計對無線對講系統和巡查管理系統進行了融合,實現了巡查數據的無線實時傳輸。巡查終端采用了高度集成化的功能芯片,在普通肩咪中完成了GPS定位、射頻識別和數據的調制解調,實現了巡查裝備的集成化。基于WebGIS的系統設計,使該系統有機地融入到了“數字城管”系統平臺中,實現了的信息共享和協同管理。
城市巡查管理系統不僅為安保人員提供科學有效的監督和管理手段,更為重要的是對維護社會治安起到了防患于未然的作用。傳統的簽到方式的巡查管理系統主要依靠員工的自覺性,在預先規定的巡邏地點上定時簽到,這種方式難以實現對安保人員的科學、準確的考核與監控,存在虛假簽到現象。離線式電子巡查管理系統的出現實現了對安保人員的規范化和科學化管理,解決了傳統巡查方式存在的問題,提高了管理效率。隨著“數字城管”建設的推進,需要在定時、定點、定線路巡查管理的基礎上,能夠根據實際治安情況實現巡查線路和巡查時段的靈活管理,并能夠通過管理中心對巡查情況進行實時監控,確保巡查工作的有效性和事前預防的主導性。
采用GPRS或CDMA數據傳輸技術可以實現管理中心對安保人員的實時監控,但這需要額外增加安保人員的裝備配備,并且需要長期支付數據通信費用。通過對城市巡查管理系統的分析發現,無線對講機是目前城市巡查安保人員的必備裝備。本文基于無線對講系統,結合地理信息(GIS)技術、全球定位(GPS)技術、射頻識別(RFID)技術,設計了面向“數字城管”的在線式巡查管理系統,實現了巡查裝備的集成化、巡查管理的實時化與可視化。
1 系統功能分析及結構設計
巡查管理系統的基本功能是實現對巡查路線和巡查時間的完整記錄、查詢及分析,達到對巡查人員的有效監管和對事件的積極預防。為了進一步發揮巡查管理系統在維護社會治安方面的重要性和有效性,需要不斷采用新技術對巡查管理系統的功能進行升級和完善。通過對目前巡查管理系統功能的綜合分析,本設計所實現的巡查管理系統基本功能包括:定點RFID數據采集、GPS巡查線路的實時監控、移動電子圍欄設置、無線對講及話音監控、可視化管理、網絡化操作。
(1)系統網絡結構設計
本系統依靠城市巡查管理系統現有的無線對講機話音通信平臺。首先,在硬件方面對其進行優化改造和升級,實現話音空閑期調度指令和數據的雙向傳輸,達到實時監控的目的。其次,在系統管理軟件方面,基于Web-GIS進行系統管理軟件的設計和開發。最后,與“數字城管”系統平臺實現數據的共享和協同管理。在線式巡查管理系統結構框圖如圖1所示。

(2)系統的邏輯體系結構設計
本系統服務器端管理軟件的開發采用了美國ESRI(Environmental Systems Research Institute)公司推出的第二代基于Web的GIS平臺——ArcIMS。ArcIMS體系結構由兩大部分組成——客戶端和服務器端,屬于典型的Browser/Server架構。系統邏輯體系結構可分為表示層、邏輯層和數據層,如圖2所示。

2 便攜式巡查終端設計
便攜式巡查終端主要完成對RFID標簽的閱讀,對GPS位置和時間信息的獲取,以及通過無線對講信道進行指令響應和數據傳輸。由于便攜式巡查終端依賴于現有的無線對講設備,因此在肩咪中實現這些功能模塊將能適應多種型號的無線對講設備,同時采用低功耗器件來減小便攜式巡查終端對無線對講設備電源功耗的影響。本設計采用MSP430F2350為主控芯片,功能框圖如圖3所示。

調制解調電路采用MSM6882集成芯片,外加一些音頻信號處理及控制電路,原理如圖4所示。該電路一方面從揚聲器提取音頻信號,然后通過限幅放大電路后,將音頻信號送給MSM6882進行解調;另一方面,MSM6882對來自MCU的數字信號進行模擬FSK調制,然后將所得的模擬音頻信號送給對講機的音頻輸入端口,從而實現在對講機模擬話音信道進行數據的傳輸。由于目前城市巡查管理系統中無線話音信道受到周圍的干擾比較大,信道質量通常比較差,因此調制解調電路對數據無線傳輸影響非常大。

由于巡查終端是嵌入到肩咪中的,因此對GPS模塊的體積要求非常高。本設計綜合考慮GPS模塊的體積、功耗、定位精度,選擇了臺灣長天公司的M91 GPS模塊。該模塊采用了臺灣聯發科技GPS晶片組,尺寸僅為12 mm×12 mm×2.2 mm,32通道,靈敏度為-159 dB。另外采用S型四螺旋全向GPS天線,適合便攜式使用。GPS模塊電路如圖5所示。

(3)RFID讀頭電路
RFID讀頭電路采用了EM4095基站讀寫芯片,載波工作頻率為100~150 kHz,可以對EM400X、EM4050、EM4150等標簽進行操作。圖6為RFID讀頭電路原理,其工作頻率由以下關系式確定:

(4)電源管理模塊
巡查終端工作所需電源來自對講機,由于不同型號對講機對外提供的電源電壓不同,因此為了終端的兼容性,必須對來自對講機的電源進行處理;同時由于主控:MCU采用3.3 V電源供電,而GPS和RFID采用5 V供電,這要求電源電路能夠提供相應電壓。為了給終端提供穩定的工作電源,采用SPX5205-3.3和SPX5205-5線性電源轉換芯片。電源轉換電路如圖7所示。

(5)PTT控制電路
PTT控制電路用來控制對講機射頻發送信號,當PTT激活時,對講機將進行射頻信號發送。本設計中PTT由MCU來控制,當MCU有數據發送時,MCU先激活PTT,然后通過調制解調模塊將數據發送到音頻信道,從而實現模擬信號的調制發送。數據發送完后,MCU停止給調制解調模塊發送數據,經過一定的延時,MCU再關閉PTT。
結 語
隨著現代科學技術的發展,人們對城市巡查管理的要求不斷提高,城市安保人員需要配備多種裝備來完成日常巡查任務。離線式巡查管理系統實現了對安保人員巡查情況的準確了解,但因為數據的分析存在一定的滯后性,不能適應實時管理要求。通過對現有巡查管理裝備的研究分析,本設計對無線對講系統和巡查管理系統進行了融合,實現了巡查數據的無線實時傳輸。巡查終端采用了高度集成化的功能芯片,在普通肩咪中完成了GPS定位、射頻識別和數據的調制解調,實現了巡查裝備的集成化。基于WebGIS的系統設計,使該系統有機地融入到了“數字城管”系統平臺中,實現了的信息共享和協同管理。