無線傳感器網絡中傳輸電路的設計
作者:陳紅,李瑋
來源:現代電子技術
日期:2009-12-29 14:27:34
摘要:無線傳感器網絡就是一種RGS系統(遠程地面傳感器系統),它是一種利用多種傳感器作為綜合情報采集元件,進行數據融合、編碼等處理后,發送給指揮中心,處理還原后在監控平臺顯示出來的探測系統。它集傳感器技術、圖像探測技術、震動探測技術、聲音探測技術、無線通信技術、數字編碼壓縮技術、信息融合技術及計算機技術為一體,是由多種高新技術集成的綜合性技術。
0 引 言
無線傳感器網絡就是一種RGS系統(遠程地面傳感器系統),它是一種利用多種傳感器作為綜合情報采集元件,進行數據融合、編碼等處理后,發送給指揮中心,處理還原后在監控平臺顯示出來的探測系統。它集傳感器技術、圖像探測技術、震動探測技術、聲音探測技術、無線通信技術、數字編碼壓縮技術、信息融合技術及計算機技術為一體,是由多種高新技術集成的綜合性技術。無線多傳感器網絡系統主要由以下幾部分組成:
(1)系統前端傳感器及GPS模塊——信號采集部分:主要是由圖像、聲音、震動以及紅外傳感器組成的探測單元和GPS模塊構成,負責完成戰場信息監測任務。
(2)信息傳輸部分:主要負責將采集到的信息壓縮編碼和進行遠距離無線傳輸。
(3)指揮中心測控平臺部分:主要完成對監測單元的遠程控制及信號接收任務,并對搜集到的各種信息進行融合處理、分析。將處理結果提供給指揮中心人員,使他們能及時準確地把握戰場態勢,做出相應的決策。
本文主要是對無線傳感器網絡中圖像傳輸系統的硬件設計與軟件編程的思想。
1 發射端調制解調器硬件電路設計和工作原理
調制解調器硬件電路在發射方和接收方,由于所需完成的任務不同,實際上是不一樣的。發射方調制解調器電路原理圖如圖1所示。
MSM7512B的MOD2和MOD1,按通信的要求,在收發之間轉換,以控制調制解調芯片的工作狀態;P1.4則控制無線電臺收/發狀態的轉換(PTT)。
MSM75125B的AO和AI分別通過接口電路與無線電臺的送/受話器相連。作為系統外部監視的顯示電路全部由發光二極管和電阻構成,其中紅色發光二極管D1為電源指示,亮則表示系統的初始化過程正確;黃色發光二極管D2為發送正確指示,系統每正確完成一次數據發送任務,它應閃爍一次;D3為載波檢測指示,如果亮則表示調制解調器檢測到了信道中的有效載波信號;D4為數據傳輸指示,系統在發送數據時它就開始閃爍,直至數據發送完畢。如果前端傳感器有數據需要傳送時,產生一個下降沿脈沖,觸發單片機的外部中斷INTO(P3.2),單片機響應中斷后,將前方來的8位并行數據由P2口(P2.0~P2.5)讀入,由于P2口內部有上拉電阻,因此作為輸入口時,可用TTL或MOS電路驅動,而不要外加上拉電阻。W77E58的串行通信口2可留作系統的擴展口備用。
2 接收方調制解調器與單片機的接口電路
接收方調制解調器電路與戰場傳感器方調制解調器電路在單片機和調制解調芯片的使用和控制是一樣的。所不同的是:單片機的第二串行口通過電平轉換電路與計算機的RS 232C口相連,把接收到的數字信號傳送給微機。接收方調制解調器與單片機的接口電路如圖2所示。發光二極管顯示電路作用也不完全相同,其中D1~D8為接收數據顯示,它能把正確接收的數據以二進數的形式顯示出來,D9為系統的電源指示,D10為發送正確指示,D11為載波檢測指示,D12為數據傳送指示。
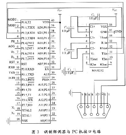
調制解調器與PC機接口實際上也就是調制解調器中單片機W77E58與PC機的接口電路,W77E58支持TTL電平,而微機串行通信口RS 232C支持EIA電平,因此在實現它們之間的串行通信時,必須設計電平轉換電路,以滿足它們各自的需要。
電平轉換電路是指揮中心方調制解調器與微機的接口電路,它也是數據無線傳輸系統硬件電路(指揮中心方)的一個組成部分。其工作過程如下:由調制解調器解調出來的數字信號,由單片機處理后,從W77E58的串行通信口2,經電平轉換芯片MAX232、PC機的RS 232C口(DB9)和微機內部的UART,最后傳遞給CPU,在監控平臺上顯示出來。其電路原理圖如圖3所示。
4 圖像無線傳輸軟件設計
程序共分五個部分,三個主程序為:發送方單片機程序、接收方單片機程序和微機接收程序;兩個子程序為:差錯處理子程序、發送延時子程序。
收、發雙方及單片機與PC機之間的聯絡均采用軟件“握手”信號聯絡。所有聯絡“握手”信號均為#0AAH,接收正確后應答信號為#00H,接收錯誤則應答為#0FFH。
傳感器一方在無數據需要傳輸時,通過單片機的編程控制使MSM7512B工作在省電模式,此時調制解調芯片(不含W77E58)的功耗僅為0.1 mW,可以最大限度地延長電池的使用時間。
單片機與MSM7512B的邏輯控制關系:P1.O→MOD2,P1.1→MODl,P1.5→AOG,另外 P1.4→電臺PTT,單片機控制MSM7512B和電臺進行收、發轉換。前端傳感器有數據傳輸時,產生一個下降沿的脈沖信號啟動整個系統的程序運行,數據傳輸完畢后,系統返回初始狀態。單片機的P1.5口控制選擇MSM7512B的的輸出電平。
設定單片機的2個串行口都工作于串行口工作方式1;定時器T1工作于方式2(自動重裝初值),作波特率發生器,通過調整T1的初裝值,用來選擇1 200 b/s,600 b/s和300 b/s三種速率;定時器T2工作于方式1,作定時器,用來設計安排延時。
在系統的設計過程中,為了減少電臺靈敏度不高和信道質量差誤碼等影響,發送方需連續發5次“握手”聯絡信號,接收方在連續2次收到正確的聯絡信號以后,才確認是有效的聯絡予以響應,否則認為是干擾信號,不予以響應。這樣既能減少各類原因造成的接收機程序不啟動運行導致漏報的可能性,又能保證接收機不因干擾信號而誤操作,減少誤報的機率。另外綜合考慮電臺的收發轉換和調制解調芯片的收發轉化所需的各類延時時間,在設計程序時專門安排了一個延時時間。經過大量的實驗,得出一個比較合適的延時時間,即不論通信哪一方,在由收轉為發狀態后,都先延時70 ms,因為時間太短了系統不能正常工作,太長了可能會影響數據的傳輸速率,降低數據傳輸的時性。系統數據發射端和接收端單片機程序流程圖如圖4所示。
5 結 語
通過對MSM7512B調制解調芯片性能特點的了解,設計出了發射端和接收端調制解調器的實際電路,然后簡單介紹了具有雙串口功能的單片機W77E58的性能特點后,給出了數據無線傳輸系統的接收方單片機與PC機之間串行通信的硬件電路圖,并描述了Mo-dem與電臺接口電路的設計過程,最后敘述了整個系統單片機軟件的特點。從整體上給出了無線傳感器網絡數據無線傳輸系統的設計原理圖。
無線傳感器網絡涉及傳感器技術、網絡通訊技術、無線傳輸技術、嵌入式計算技術、微電子制造技術、軟件編程技術等領域,具有跨學科的特點,在軍事、民防、環境、生態、農業、健康、家庭和其他領域都有廣闊的應用前景,在空間探索和災難救助等特殊領域,傳感器網絡業有其得天獨厚的技術優勢。
無線傳感器網絡就是一種RGS系統(遠程地面傳感器系統),它是一種利用多種傳感器作為綜合情報采集元件,進行數據融合、編碼等處理后,發送給指揮中心,處理還原后在監控平臺顯示出來的探測系統。它集傳感器技術、圖像探測技術、震動探測技術、聲音探測技術、無線通信技術、數字編碼壓縮技術、信息融合技術及計算機技術為一體,是由多種高新技術集成的綜合性技術。無線多傳感器網絡系統主要由以下幾部分組成:
(1)系統前端傳感器及GPS模塊——信號采集部分:主要是由圖像、聲音、震動以及紅外傳感器組成的探測單元和GPS模塊構成,負責完成戰場信息監測任務。
(2)信息傳輸部分:主要負責將采集到的信息壓縮編碼和進行遠距離無線傳輸。
(3)指揮中心測控平臺部分:主要完成對監測單元的遠程控制及信號接收任務,并對搜集到的各種信息進行融合處理、分析。將處理結果提供給指揮中心人員,使他們能及時準確地把握戰場態勢,做出相應的決策。
本文主要是對無線傳感器網絡中圖像傳輸系統的硬件設計與軟件編程的思想。
1 發射端調制解調器硬件電路設計和工作原理
調制解調器硬件電路在發射方和接收方,由于所需完成的任務不同,實際上是不一樣的。發射方調制解調器電路原理圖如圖1所示。

MSM7512B的MOD2和MOD1,按通信的要求,在收發之間轉換,以控制調制解調芯片的工作狀態;P1.4則控制無線電臺收/發狀態的轉換(PTT)。
MSM75125B的AO和AI分別通過接口電路與無線電臺的送/受話器相連。作為系統外部監視的顯示電路全部由發光二極管和電阻構成,其中紅色發光二極管D1為電源指示,亮則表示系統的初始化過程正確;黃色發光二極管D2為發送正確指示,系統每正確完成一次數據發送任務,它應閃爍一次;D3為載波檢測指示,如果亮則表示調制解調器檢測到了信道中的有效載波信號;D4為數據傳輸指示,系統在發送數據時它就開始閃爍,直至數據發送完畢。如果前端傳感器有數據需要傳送時,產生一個下降沿脈沖,觸發單片機的外部中斷INTO(P3.2),單片機響應中斷后,將前方來的8位并行數據由P2口(P2.0~P2.5)讀入,由于P2口內部有上拉電阻,因此作為輸入口時,可用TTL或MOS電路驅動,而不要外加上拉電阻。W77E58的串行通信口2可留作系統的擴展口備用。
2 接收方調制解調器與單片機的接口電路
接收方調制解調器電路與戰場傳感器方調制解調器電路在單片機和調制解調芯片的使用和控制是一樣的。所不同的是:單片機的第二串行口通過電平轉換電路與計算機的RS 232C口相連,把接收到的數字信號傳送給微機。接收方調制解調器與單片機的接口電路如圖2所示。發光二極管顯示電路作用也不完全相同,其中D1~D8為接收數據顯示,它能把正確接收的數據以二進數的形式顯示出來,D9為系統的電源指示,D10為發送正確指示,D11為載波檢測指示,D12為數據傳送指示。

調制解調器與PC機接口實際上也就是調制解調器中單片機W77E58與PC機的接口電路,W77E58支持TTL電平,而微機串行通信口RS 232C支持EIA電平,因此在實現它們之間的串行通信時,必須設計電平轉換電路,以滿足它們各自的需要。
電平轉換電路是指揮中心方調制解調器與微機的接口電路,它也是數據無線傳輸系統硬件電路(指揮中心方)的一個組成部分。其工作過程如下:由調制解調器解調出來的數字信號,由單片機處理后,從W77E58的串行通信口2,經電平轉換芯片MAX232、PC機的RS 232C口(DB9)和微機內部的UART,最后傳遞給CPU,在監控平臺上顯示出來。其電路原理圖如圖3所示。

4 圖像無線傳輸軟件設計
程序共分五個部分,三個主程序為:發送方單片機程序、接收方單片機程序和微機接收程序;兩個子程序為:差錯處理子程序、發送延時子程序。
收、發雙方及單片機與PC機之間的聯絡均采用軟件“握手”信號聯絡。所有聯絡“握手”信號均為#0AAH,接收正確后應答信號為#00H,接收錯誤則應答為#0FFH。
傳感器一方在無數據需要傳輸時,通過單片機的編程控制使MSM7512B工作在省電模式,此時調制解調芯片(不含W77E58)的功耗僅為0.1 mW,可以最大限度地延長電池的使用時間。
單片機與MSM7512B的邏輯控制關系:P1.O→MOD2,P1.1→MODl,P1.5→AOG,另外 P1.4→電臺PTT,單片機控制MSM7512B和電臺進行收、發轉換。前端傳感器有數據傳輸時,產生一個下降沿的脈沖信號啟動整個系統的程序運行,數據傳輸完畢后,系統返回初始狀態。單片機的P1.5口控制選擇MSM7512B的的輸出電平。
設定單片機的2個串行口都工作于串行口工作方式1;定時器T1工作于方式2(自動重裝初值),作波特率發生器,通過調整T1的初裝值,用來選擇1 200 b/s,600 b/s和300 b/s三種速率;定時器T2工作于方式1,作定時器,用來設計安排延時。
在系統的設計過程中,為了減少電臺靈敏度不高和信道質量差誤碼等影響,發送方需連續發5次“握手”聯絡信號,接收方在連續2次收到正確的聯絡信號以后,才確認是有效的聯絡予以響應,否則認為是干擾信號,不予以響應。這樣既能減少各類原因造成的接收機程序不啟動運行導致漏報的可能性,又能保證接收機不因干擾信號而誤操作,減少誤報的機率。另外綜合考慮電臺的收發轉換和調制解調芯片的收發轉化所需的各類延時時間,在設計程序時專門安排了一個延時時間。經過大量的實驗,得出一個比較合適的延時時間,即不論通信哪一方,在由收轉為發狀態后,都先延時70 ms,因為時間太短了系統不能正常工作,太長了可能會影響數據的傳輸速率,降低數據傳輸的時性。系統數據發射端和接收端單片機程序流程圖如圖4所示。

5 結 語
通過對MSM7512B調制解調芯片性能特點的了解,設計出了發射端和接收端調制解調器的實際電路,然后簡單介紹了具有雙串口功能的單片機W77E58的性能特點后,給出了數據無線傳輸系統的接收方單片機與PC機之間串行通信的硬件電路圖,并描述了Mo-dem與電臺接口電路的設計過程,最后敘述了整個系統單片機軟件的特點。從整體上給出了無線傳感器網絡數據無線傳輸系統的設計原理圖。
無線傳感器網絡涉及傳感器技術、網絡通訊技術、無線傳輸技術、嵌入式計算技術、微電子制造技術、軟件編程技術等領域,具有跨學科的特點,在軍事、民防、環境、生態、農業、健康、家庭和其他領域都有廣闊的應用前景,在空間探索和災難救助等特殊領域,傳感器網絡業有其得天獨厚的技術優勢。