基于TMS320C2812DSP的智能循環水控制器的設計
工業循環水處理的關鍵環節是按照工藝要求投加各種藥劑,以此來保證優良的水質。傳統的藥劑投加主要是依靠人工進行。操作者的實際經驗在這種加藥方法中起決定作用,不能滿足藥劑的精確投加。為此,我們針對國內工業水處理行業的工藝要求,并吸取了國內外同行加藥控制系統的優點,研制了適合國內特點的智能循環水加藥控制器。該控制系統由下位機和上位機兩部分組成,實現了現場控制和遠程監控的結合。
2 系統總體結構
智能循環水加藥控制系統是針對循環水處理現場設計的。需要滿足的功能是實現水處理過程中的自動加藥和自動排污。比如說在現場pH值高于一定值時系統要能實現自動加酸,而低于一定值時要實現自動加堿;而在雜質多于一定值時要能自動加氯排污等。本系統主要由上位機和下位機兩部分組成。下位機實現現場水質數據采集以及控制現場各個泵的動作,上位機主要實現遠程監控。上位機和下位機之間的通信方式采用RS.485實現。下位機主要由輸入信號調理部分、DSP控制部分、輸出信號調理部分、本地面板顯示部分組成。首先將現場的傳感器采集信號諸如pH值傳感器信號、ORP傳感器信號、TEMP傳感器信號、COND傳感器信號等進行調理,使這些傳感器的輸出信號統一調理成0.6— 3 V的電平信號,控制器采用TI公司的32位定點TMS320C2812,該DSP芯片帶有16路12位的AD輸入,足夠滿足現場精度要求,所以本系統不需要另外加A/D轉換芯片。我們把調理的0~3 V的電平信號直接接人TMS320C2812的A/D口。根據這些電平信號的大小就能知道現在水的各種時參數值。比如pH值,當pH為7時,轉換的輸入信號為1.8 V,當pH為14時.轉換的輸入信號為0.6 V,當pH為0時,轉換的輸入信號為3 V,然后系統希望的pH值通過上位機設定發送給DSP。DSP把系統希望的值作為設定值,而把剛才pH通道A/D輸入的值作為反饋值,采用位置增量PID算法,設定值和反饋值的差作為偏差來實現加酸加堿量的計算。DSP再把這個計算結果值送給D/A。本系統中D/A我們采用
MAX5250B和DSP產生的PWM信號調理實現,然后再把D/A的輸出電壓信號進行調理和電壓轉電流變成4~20 mA的電流信號來控制現場加酸加堿泵的動作。其它信號的控制思路和pH控制完全一樣。同時在控制現場還有一個顯示面板,該顯示面板由顯示和鍵盤輸入兩部分組成。顯示主要顯示當前水質的一些重要參數,比如pH值、ORP值、TEMP值、COND值等。鍵盤輸入主要完成一些傳感器的標定作用,這將在本文的后續部分作具體介紹。顯示板和控制器之間采用RS.485通信方式實現。用一臺工控機作為上位機實現遠程監控作用,上位機和下位機之間的通信方式也采用RS.485。上位機主要顯示當前水質的參數和各泵的工作狀態,并將水質參數的歷史數據保存人數據庫,可在需要的時候進行查詢。同時還實現一些設定操作,手動控制等功能。當上位機設置為手動操作時,此時控制器所有輸出為0,現場各泵的操作可以由人來手動控制,這樣可以實現檢修工作。同時在監控現場還有一臺PLC控制器作為備用監控系統。該PLC控制器采用西門子公司的$7-200系列的CPU221XP,加上一些擴展數字輸入、模擬輸入模塊等組成。PLC和控制器間的通信采用RS一485通信協議(其優點在于通信距離較長)。系統整個硬件框圖如圖1所示。

本系統的模擬量輸出有10路,如果都采用D/A轉換芯片無疑增加了系統的硬件成本。由于TMS320C2812具有兩個事件管理器,可以用來產生六路獨立的PWM波信號。本系統的一個創新點就是直接利用TMS320C2812的時間管理器產生六路獨立的PWM信號濾波后作為系統需要的D/A輸出。另外4路輸出信號采用一塊MAX5250B的D/A芯片來實現。
本系統設計中采用事件管理器來產生PWM輸出。這需要對事件管理器中的寄存器進行設置,步驟如下:① 設置和裝載ACTRX;② 初始化CMPR;@設置和裝載COMCONX;④設置和裝載T1 CON(對應于EVA)或T3CON(對應于EVB)來啟動操作;⑤ 將新變化的值重新寫入CMPRX。
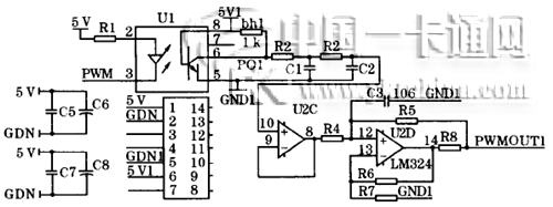
按以上步驟編程后產生的PWM信號要想作為本系統的DA輸出,還必須對其進行濾波調理,該濾波調理電路如圖2所示。

圖2 PWM信號濾波調理作為D/A輸出電路圖
首先將輸出的PWM信號通過光耦隔離器進行隔離,保證外接輸出系統不會反過來燒壞本控制器,然后對隔離的輸出PWM信號進行兩級RC濾波,變成平滑的電壓輸出,經過一個射極跟隨電路增強輸出能力,再通過電壓變電流電路輸出4—20 mA的電流信號給現場控制泵。這樣就完成了利用TMS320C2812的事件管理器輸出PWM信號進行調理來產生D/A輸出,降低了系統的硬件成本,也簡化了系統的結構。
4 傳感器標定
傳統的智能儀表標定一般采用專用的標定工作臺,它由工控機、各類標準信號源、UPS后備電源等組成。標定工作臺體積龐大、接線復雜、價格高昂,一般只在生產廠家或實驗室使用,維修維護人員無法在現場對智能儀表進行二次標定,在智能儀表測量系統中,需要對外界各種信號進行測量。測量過程一般是先用傳感器把外界的各種信號轉換成電信號,然后用A/D轉換器把模擬信號變成數字信號。但是不同的傳感器輸出信號范圍不同,同一傳感器在不同的環境中輸出的同樣信號并不代表同一種情況。比如說在不同溫度下,同樣的pH值,同一pH傳感器輸出的信號也會有變化。這樣就會在現場測量時造成誤差。因此在測量現場就需要經常對傳感器進行標定。標定一般是借助于數學解析表達式來編寫程序,從而達到標定的目的。比如說現在pH值傳感器輸出的信號表示pH值為7.8,但是根據標準測試計測量出實際pH值為7.9,那么就需要
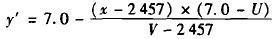
通過設定操作修正輸出結果把當前結果強制變換為7.9。標定有單點標定法和兩點標定法兩種。單點標定法主要采用先把系統零點測試好,然后利用當前實際值和零點值進行標定。而兩點標定法則不需要測試零點,而只需要根據標準測試計得出兩個實際值即可實現標定。以本系統的pH值傳感器標定為例來說明單點標定法的原理。通過系統調試發現pH值傳感器在pH值為7時經過信號調理輸出給TMS320C2812的A/D 的電壓值為1.8 V,而TMS320C2812的A/D為12位,也就是它的實際測量值在0—4 096之間。1.8 V正好是A/D滿量程3V的3/5。故pH值實際零點在TMS320C2812中反映為2457,也就是說2457是它的零點。在標定前的默認算法中把傳感器輸出信號0 V電平對應為pH值的14,即TMS320C2812的A/D采樣值對應為0。假設某一時刻DSP采樣值為X,則此時計算pH值公式Y如下所示: ![]()
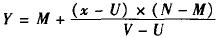
假設某一時刻DSP采樣值為3 000,根據式(1) 計算的pH值為4.68。如果系統某一時刻采樣值為V, 實際pH值為U,那么系統采樣值為X 時刻的實際pH值Y 就要用如下公式進行計算: ![]()
在本設計中系統開始采用的算法為式(1),當接收到標定命令時系統軟件自動切換到式(2)算法中來。
上面就是單點標定的原理,只要根據某一時刻的實際值進行標定即可。
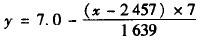
雙點標定就是根據兩個時刻的實際值進行標定。比如說系統在某一時刻采樣值為U,此時實際的pH值為M,在另一時刻的采樣值為V,實際值為 N。那么在系統采樣值為某個X 時刻的實際pH值Y就由下式來確定: ![]()
由式(2)、(3)看出單點標定比雙點標定算法要簡單,但是單點標定有一個缺點,就是不能在零點附近標定。因為根據式(2)可以知道,在pH=7時進行標定的話就會發現出現分母為0,這樣等式就會出現不定值。目前應用較多的還是單點標定法。
5 TMS320C2812的串口通信
本系統中各模塊問的通信都采用RS-485通信。而這實際利用串口通信加上一塊MAX485芯片將串口通信變換成RS-485通信來實現的。因此本節介紹一下TMS320C2812的串口通信的實現過程。TMS320C2812的SCI口除具有普通串口的特點外,還具有以下特點:發送和接收均有一個16級深度的FIFO,可編程64K種不同的波特率,可編程8—16位數據長度,空閑線和地址位兩種喚醒多處理器模式,奇偶校驗、過載、幀錯誤和問斷監測共4個錯誤檢測標志,半雙工或全雙工操作模式,可工作于中斷或查詢方式,具有獨立的接收和發送中斷使能位。利用TMS320C2812的SCI口進行串行通信主要有查詢和中斷兩種模式。中斷模式下需要選擇中斷優先級和設置中斷使能位,除此外,兩種方式都需要設置操作方式和協議、字符長度、奇偶校驗、停止位的位數以及波特率值等操作。所有這些操作都是通過設置寄存器來實現的。本設計系統中采用中斷方式實現系統的通信。下面是采用中斷方式進行通信的串口初始化程序: 
6 結束語
根據循環水處理工藝過程的技術要求,本智能循環水控制器從控制系統的硬件配置到應用程序設計以及多種加藥控制方案的實現,都系統地考慮了工業循環水處理過程的實際情況。尤其是通過DSP的事件管理器輸出PWM波作為D/A輸出節省了系統成本,簡化了硬件結構。應用結果表明該系統性能穩定,運行可靠,人機界面直觀靈活,操作簡便。控制系統實現的各項功能均滿足工藝要求,取得了良好的應用效果。
作者:北京工業大學電控學院自動化系 江存勝,段建民,綦慧,李大慶,倪少強
參考文獻:
[1] 張紅濤,等.5l單片機和Pc機串行通信系統設計[J].化工自動化及儀表,2005,32(4).
[2] 楊捷,朱春剛,徐志華.基于WINCE的智能儀表標定系統[J].化工自動化及儀表,2005,32(4).