基于nRF9E5和火線的單線制射頻遙控開關設計
傳統的機械式墻壁開關,是一開一關的簡單控制方式,且大多是在86型暗盒上實現的。要想在86×86×50的暗盒里實現射頻遙控開關.就必須考慮到幾個因素:86型暗盒的空間;只有1根火線,無零線,不能再布線;不能影響被控電器原功能的使用;1個遙控器(即上位機中央集成控制系統)實現對多個開關終端控制(一對多),并且與其他遙控器不能發生沖突。
基于上面必須考慮的幾個因素,提出一種無線射頻解決方案,采用內置增強型51兼容的單片機集成一體化射頻芯片nRF9E5來實現一對多功能;在單一火線上實現開關控制和為控制系統提供電源,構成一個低成本、適合裝入86型晴盒,無須任何改裝,無須附加任何外圍器件的單線制射頻遙控開關系統。圖1所示的主框圖,突破了傳統電工產品單線制(即無零線)供電方式的限制,所有射頻遙控開關都是按照電工安全規范布線(即零線不入開關),徹底解決了單線制接入技術。

1控制系統硬件設計
1.1 nRF9E5功能介紹
nRF9E5是Nordic VLSI公司推出的系統級RF芯片,內置增強型8051兼容微控制器、433/868/915 MHz的nRF905射頻收發器和4路輸入10位80 kbps A/D轉換器。芯片嵌入了電壓調整模塊,最大限度地抑制噪聲,可上作在l.9 V~3.6 V的單電源上,待機功耗為2 μA,QFN5×5封裝。由于nRF9E5集成度高,功能強,功耗低,很適合用于小型化和低壓場所的射頻控制系統的設計。
1.1.1 增強型51內核微控制器
nRF9E5的片內微控制器與標準8051兼容,指令時序與標準的8051稍有不同:nRF9E5的內置微控制器的指令周期為4~20個指令周期。中斷控制器支持5個擴展中斷源:ADC中斷、SPI中斷、RADIO1中斷、RADIO2中斷和喚醒定時器中斷。微處理器除了 256B的數據外,還擴展了512B的ROM和4 KB的RAM,并擴展了2個數據指針,以便從XRAM區讀取數據。上電復位或軟件復位后,處理器自動執行ROM引導區中的代碼。用戶程序通常是在引導區的引導下,從EEPROM加載到4 KB的RAM中。如果應用中不用內含ROM的nRF9E5,則程序代碼必須從外部加載,比較常見的是通過SPI接口連接型號為25320的EEPROM。而SPI接口引腳是MISO、SCK、MOSI和EECSN,其中MSIO、SCK和MOSI與P1口的低3位復用,通過寄存器SPI_CTRL來控制功能間的切換。
nRF9E5內置有lO位ADC,A/D轉換參考電壓可通過軟件設置在AREF和1.22 V之間(內部參考電壓)。A/D轉換器的4個輸人口可通過軟件進行選擇,默認工作于l0位方式,可通過軟件使其工作于6位、8位或12位方式。nRF9E5還增加了CKLF時鐘、RTC喚醒定時器、GPIO喚醒和WTD,以及一些特殊功能寄存器。更多的功能擴展可查詢參考文獻[1]。
1.1.2 nRF9E5收發模塊
nRF9E5收發器通過內部SPI口與其他模塊進行通信,具有同單片射頻收發器nRF905相同的功能:載波監測輸出CD,可避免空間無線通信碰撞;地址匹配輸出AR,易于實現點對多點無線通信設計;數據接收就緒DR,便于節能設訃,滿足低功耗設計要求。內置完整的通信協議和CRC效驗,只需通過SPI即可完成所有的無線收發傳輸。輸出功率、頻道和其他射頻參數可通過對特殊功能寄存器RADIO(0xA0)編程進行控制。發射模式下,射頻電流消耗為11 mA,接收模式下為12.5 mA。
nRF9E5使用SPI接口進行內置微處理器與無線模塊間的數據傳輸。nRF9E5的收發器有3種工作方式:ShockBurst接收(RX)方式、ShockBurst發送(TX)方式和空閑方式。nRF9E5收發器的工作方式由特殊功能寄存器TRX_CE和TX_EN決定,詳見表1。

1.2 火線開關和火線取電電路設計
傳統的機械式墻壁開關,大多是裝在86型暗盒上的,一般可以通過10 A的額定電流,是一個功率器件控制開關。要設計能代替傳統的機械式墻壁開關的控制系統,首先要從功率上考慮,選擇能控制大于10 A電流的功率器件;然后是功能的實現,即為負載提供的火線開通和切斷,并能為控制系統提供穩定續流的電源;最后是電子元器件體積的選擇。
為了簡化電路的設計,火線開通和切斷選用5 V直流控制繼電器,最大通過15 A的220 V交流電壓即可。在繼電器開通時,選用IRL3803S大功率場效應管,其內置的穩壓二極管,既可為系統提供電源,也可為負載提供通路。因其額定工作電流ID=140 A,故可以不帶散熱片直接使用,在86型暗盒里特別有效。
在繼電器斷開時,市網電壓主要落在控制系統上,而控制系統只需6 V直流電源,因控制系統功耗低,故主要壓降可由1/4 W的金屬膜電阻來承擔;同時,選用BVCBO≥600 V的硅NPN大功率晶體管13002作為控制系統電源的調整管。
由圖1主框圖可知,控制系統是串聯在被控電器的前端,用來代替86型墻面機械開關的。由于沒有零線,加之又不能重新布線,因此只能在火線上考慮如何保留開關功能和如何為控制系統提供穩定的續流電源。圖2所示的火線開關和火線取電電路,分為繼電器斷開和繼電器閉合兩部分。顯然,場效應管IRL3803S、晶體管13002、6 V直流控制繼電器、Rl和R2金屬膜電阻為關鍵元器件。
市網電壓220 V剛來時,或者是微控制器發送關斷信號時,繼電器J1斷開,220 V交流電壓主要落在控制系統上。交流電壓經過D3半波整流,R2降壓,經Q4與Q5組成一個串聯型穩壓電源,提供6 V電壓。由于整個系統功耗較小,經過計算,金屬膜電阻R2的阻值為20 kΩ,功率為1/4 W,可為控制系統提供在繼電器斷開時的主要壓降。
當要求被控電器工作時,微控制器提供開通信號.使J1合上,并使220 V市網電壓主要落在被控電器上,不影響被控電器的正常工作。控制系統的取電由IRL3803S來提供,其內置一個30 V的單向穩壓管,在IRL3803S未開通時,可提供最大30 V的單向交流電壓。經D1整流,Z1、Z2為不同的穩壓值,Q1、Q2、Q3配合下組成不同的控制信號,使IRL3803S導通或斷開;一為負載提供通路,二為控制系統提供續流6 V的穩壓電源。
在此環境下,建議不使用開關電源。開關電源電路復雜,輸出電壓波紋系數大,電路干擾大,在86型暗合空間里不易設計抗干擾電路,而且容易使nRF9E5接收數據時發生混亂。
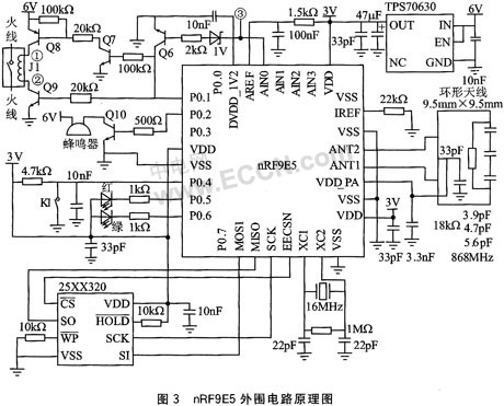
1.3 nRF9E5外圍電路設計
根據單線制火線開關的實際需要,nRF9E5的外圍電路設計如圖3所示。

由圖3可知,nRF9E5的專有外圍電路--9.5 mm×9.5 mm環形天線電路(868 MHz)、25XX320 EEPROM電路、TPS70630電源轉換電路,就可完成nRF9E5控制數據的射頻接收和發送。火線開通和切斷由nRF9E5的P0.1來控制,開關工作狀態紅綠指示燈則由P0.5、P0.6提供。圖2中的取樣電阻R1輸出③經10nF電容濾波后,一方面作為模擬電壓送到nRF9E5的AIN0輸入端,經A/D轉換為數據Data。綠指示燈閃爍頻率 ? =Data*Pre(Pre為取樣取整參數,使? =0.5 Hz~16 Hz),表示被控電器的負載輕重;另一方面當負載過重或有短路現象時,R1輸出③使1 V穩壓管擊穿,Q6飽和,08、Q9截止,J1切斷;同時使P0.3觸發INT0中斷(圖3未畫出),P0.2輸出1 kHz方波使蜂嗚器報警,綠指示燈滅,紅指示燈以16 Hz(最高)閃爍。

K1為自彈起開關,與外面板連在一起,保留原機械開關的手動功能。當按動開關K1時,P0.4(即INT1中斷輸入) 為低電平觸發INT1中斷,進入INT1中斷服務程序,決定J1的開通還是斷開。
86型面板最大可裝3個面板開關,P0.0和P0.7控制另外2個同類型的繼電器J2、J3,另外2個面板K2、K3使用P1口的低2位(圖3未畫出),通過寄存器SPI_CTRL來控制功能間的切換。
1.4 電路板設計
因整個控制系統工作在火線上,主印制電路板(PCB)使用2.0 mm厚的雙面板,并按86型暗盒空間來安排強電流大功率元器件和小電流其他小功率貼片元器件。把與功率器件有關的元器件和系統電源取電電路的元器件安排在暗盒的主板正面上,把火線接頭和與強電流路徑有關的功率器件安排在一邊走線,與系統電源取電的弱電流有關的器件安排在另一邊走線;而與nRF9E5射頻有關的元器件安排在立面的輔助PCB板上,與主板弱電流一邊垂直焊接。
按照Nordic VLSI公司推薦nRF9E5的射頻PCB設計,輔助PCB使用1.6 mm厚的FR-4雙面板,分元件面和底面。PCB底面有一個連續的接地網.射頻電路的元件面以nRF9E5為中心,各元器件緊靠其周圍,盡可能減小分布參數的影響。元件面的接地面保證元件充分接地,通過大量的過孔連接元件面的接地面到底面層的接地網。nRF9E5采用9.5 mm×9.5 mm的PCB差分連接的環形天線,在天線的下面不設接地網。
2 軟件程序設計
2.1 通信協議
要實現射頻控制面板開關功能,就必須完成開關面板終端和遙控器(即上位機主收發器)之間的射頻數據通信,需要對nRF9E5進行初始化,并根據實際情況進行配置設置;對每一個射頻遙控控制開關的通信幀格式進行定義,實現一對多的功能。各開關面板的控制數據通信幀格式如下:

引導碼和校驗碼由nRF9E5自動加載,其他都由內置的微控制器程序產生。識別碼為本接收機代號,與其他的接收機區分開來。狀態字為1位,值為0時,表示后面的數據為命令字,反之為數據字。數據1…N根據實際情況設置字數。填充碼表示本幀在不夠規定的長度時,填若干個0到達規定的幀長度。接收控制數據時,nRF9E5先接收一幀數據包,分別驗證引導碼、接收機地址和校驗碼,正確后再將有效負載數據送入微控制器處理;當微控制器判斷有效負載中的識別碼和本機識別碼號一致時,繼續處理后繼數據.否則放棄該數據包,并要求重發。當nRF9E5處于發射模式時,接收機地址和有效負載由微控制器按順序送入射頻模塊nRF9F5,引導碼和校驗碼由nRF9E5自動加載。
2.2 軟件流程
要實現上述控制數據幀通信功能,需要對nRF9E5進行初始化配置和用戶程序設計。程序采用中斷接收,按需發送。發送和接收程序流程如圖4所示。有一個收發主程序,市網來電先使nRF9E5配置初始化,再進入正常中斷接收、按需發送工作。有兩個中斷服務程序:一個是當取樣電阻壓降過大時,引起Q6反轉,表明負載過重,切斷繼電器,同時觸發INT0中斷服務程序,蜂鳴器報警,綠燈滅,紅燈以16 Hz(最高)頻率閃爍,微控制器讀開關相應的工作數據,把過載的情況發送出去,隨后進入死循環,由WDT溢出強制復位;另一個中斷服務程序是手動開關K1(或K2、K3)引起的觸發INT1中斷,相當于射頻接收到了遙控數據,完成射頻接收一樣的工作流程。

結 語
在傳統的墻而86型機械開關改造過程中,充分考慮到了射頻收發模塊nRF9E5芯片高度集成的優點,節省了存儲器等外設,很容易構建新的通信協議數據幀,能使其應用于多點射頻控制終端。硬件上選擇符合負載的功率器件,使得設計射頻遙控開關適合零線不入開關的電工安全規范。同時,基于nRF9E5和火線的單線制遙控控制有更多的用途,在不易布線而且又要多點控制的地方,就是此種技術應用的地方。