基于nRF9E5的有源超高頻RFID系統設計
作者:今日電子
來源:RFID世界網
日期:2007-04-12 12:33:26
摘要:nRF9E5的片內微控制器與標準8051兼容,指令時序與標準8051稍有區別。中斷控制器支持5個擴展中斷源:ADC中斷、SPI中斷、喚醒中斷和兩個無線收發中斷。此外,還擴展了兩個數據指針,使得片外RAM存取數據更為方便。
射頻識別(Radio Frequency Identification,RFID)技術是一種利用無線射頻通信實現的非接觸式自動識別技術,與目前廣泛采用的條形碼技術相比,RFID具有容量大、識別距離遠、穿透能力強、抗污性強等特點。
RFID技術已經發展得比較成熟并獲得了大規模商用,但超高頻RFID技術相對滯后。本文分析了射頻芯片nRF9E5的功能特性,并將其用于RFID系統中,設計了一套有源超高頻(UHF)RFID系統。
射頻芯片的選取
目前,發展較為成熟的RFID系統主要是125kHz和13.56MHz系統,相應的RFID專用芯片也較多,主要有TI公司的S6700系列,NXP公司的MIFARE系列等。然而,用于UHF RFID的專用芯片卻很少,TI公司和NXP公司雖然宣稱已經量產符合Gen2的RFID芯片,但由于各種因素,還沒能真正大量投入使用。再者,為了滿足用戶對遠識別距離的要求,一般需使用有源UHF RFID系統,而目前有源UHF RFID專用芯片更是難覓其蹤。所以,需要尋找一款適合超高頻RFID且易于開發的低成本射頻芯片,來設計有源
UHF RFID系統。
隨著集成電路產業的發展,8051內核已經被集成到各種片上系統(SoC)中,這些SoC具有更多的功能、更快的速度、更小的體積和功耗,同時可以繼續使用8051 MCU幾十年來積累的各種應用軟件資源,具有廣闊的發展空間。許多國際知名公司,如TI、ATMEL、Chipcon、Nordic等都推出了各種兼容8051內核的新一代短距離無線通信芯片,Chipcon在2006年初被TI公司所收購。通過分析比較發現,Chipcon公司的CC1010和Nordic公司的nRF9E5都可用于UHF RFID系統,而nRF9E5體積更小、成本更低,且具有一些獨特的功能。
nRF9E5功能分析
● 結構組成
nRF9E5內嵌8051兼容微控制器、RF收發器和4通道10位A/D轉換器,其功能結構如圖1所示。

圖1 nRF9E5功能結構框圖
nRF9E5的片內微控制器與標準8051兼容,指令時序與標準8051稍有區別。中斷控制器支持5個擴展中斷源:ADC中斷、SPI中斷、喚醒中斷和兩個無線收發中斷。此外,還擴展了兩個數據指針,使得片外RAM存取數據更為方便。
nRF9E5內置收發器具有與單片射頻收發器nRF905相同的功能,可通過片內MCU的并行口或SPI口與微控制器通信。收發器由頻率合成器、功率放大器、調制器和接收單元組成。輸出功率、頻道和其他射頻參數可通過對特殊功能寄存器RADIO編程進行控制。在發射模式(TX)下,最小工作電流僅為9mA(輸出功率-10dBm),接收(RX)模式下的工作電流為12.5mA,掉電模式下的工作電流僅為2.5μA。可見,nRF9E5的功耗很低,比較適宜應用到有源RFID系統中,以延長電池壽命。
● 載波檢測
載波檢測是nRF9E5的一大特色功能。在ShockBurst接收方式下,當工作信道內有射頻載波出現時,載波檢測引腳(CD)被置高。也就是說,當收發器準備發送數據時,它首先進入接收模式并檢測所工作的信道是否可以發送數據(信道是否空閑),這是一種簡單的傳輸前監聽協議。載波檢測的標準一般比靈敏度低5dB,比如,靈敏度為-100dBm,載波檢測功能探測低至-105dBm的載波。這個特性很好地避免了同一工作頻率下不同發射器數據包之間的碰撞,對于解決RFID系統中的碰撞問題很有幫助。
● ShockBurst工作模式
nRF9E5采用Nordic公司的ShockBurst技術(自動處理前綴、地址和CRC),實現低速數據輸入,高速數據輸出,從而降低了系統的平均功耗。在ShockBurst接收模式下,當收到一個有效地址的射頻數據包時,地址匹配寄存器(AM)和數據就緒寄存器(DR)通知片內MCU把數據讀出。在ShockBurst發送模式下,nRF905自動給要發送的數據加上前綴和CRC校驗碼。當數據發送完后,數據就緒寄存器(DR)會通知MCU數據已經處理完畢。當系統沒有發送和接收任務時,將進入空閑方式。ShockBurst技術降低了MCU存儲器需求,同時也縮短了軟件開發時間。
有源UHF RFID系統設計
● 硬件設計
電子標簽和讀寫器是RFID系統中最重要的硬件組成部分,將nRF9E5芯片應用于有源UHF RFID系統(工作頻率為433MHz)中,設計有源電子標簽電路和讀寫器框圖。
有源RFID系統中的電子標簽是自帶電池的,可以主動發送信號,而不像無源標簽需要讀寫器發出的無線電波能量激活才能工作。nRF9E5具有小體積、低功耗、優越的電源管理方式和極少的外圍器件等特點,非常適用于有源電子標簽中。

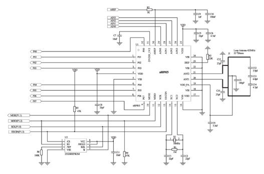
圖2 有源標簽基本框圖
圖2是有源標簽的基本框圖,其中電池可采用普通的3V紐扣電池,圖3是射頻收發電路的原理圖,ANT1和ANT2為天線連接引腳,采用PCB環形差分天線,可以進一步減小標簽的體積。25320為EEPROM,在nRF9E5上電后,系統根據引導程序,把25320中的程序代碼拷貝到nRF9E5的4KB RAM中。晶振工作頻率為16MHz,為了得到精確的內部偏置電壓,通常在引腳IREF和地之間接一個阻值為22kΩ,誤差為1%的電阻。

圖3 射頻收發電路圖
RFID讀寫器的任務是控制射頻模塊向標簽發射讀取信號,并接收標簽的應答,對標簽的對象標識信息進行解碼,將對象標識信息連帶標簽上其他相關信息傳輸到主機以供處理。讀寫器基本結構如圖4所示,可以將讀寫器簡化為控制系統和由射頻收發器組成的射頻模塊兩個基本的功能塊。

圖4 讀寫器基本結構
控制系統通常采用ASIC組件和微處理器來實現,主要功能有:與應用系統軟件進行通信,并執行從應用系統軟件發來的動作指令;控制與標簽的通信過程;信號的編碼與解碼;執行防碰撞算法;對讀寫器和標簽之間傳送的數據進行加密和解密;進行讀寫器和標簽之間的身份驗證。射頻模塊的主要功能是:產生高頻發射能量;對發射信號進行調制,用于將數據傳輸給標簽;接收并解調來自標簽的射頻信號。
在所設計的系統中,讀寫器中的射頻模塊與有源標簽中的射頻模塊電路類似,只是為了更有效地傳輸射頻信號,采用單端連接的50Ω阻抗天線,需要在芯片天線連接引腳和天線之間加一個匹配網絡,如圖5所示。

圖5 射頻匹配網絡
控制系統中的微控制器可采用高性能的單片機或ARM處理器,數字處理單元可以采用DSP或FPGA進行設計,而RS-232串口、以太網口是為和PC提供更多的接口選擇,這些內容很多文獻已做了大量研究,這里不再詳述。在本系統中,采用三星的ARM9 S3C2440A作為微控制器,將Xilinx Spartan-3E系列FPGA XC3S500E用作數字處理單元。
● 通信協議標準
由于讀寫器與標簽之間的通信可能會受到其他數據終端或外界環境的干擾而發生錯誤,因此,需要通信協議來保證數據傳輸的可靠性。nRF9E5的協議格式參見表1,其中,前綴就是數據頭,設備地址包括讀寫器地址和標簽地址,CRC校驗碼可選為8位或16位。
目前生產RFID產品的很多公司都采用自己的協議標準,國際上還沒有統一的標準。就發展趨勢來看,對于超高頻(UHF)RFID系統,ISO/IEC 18000-7(針對433MHz有源RFID系統)和EPCglobal Class1 Gen2(針對860MHz~960MHz無源RFID系統)協議標準,有望成為統一的國際標準。本文所設計的RFID系統通信協議依據ISO/IEC 18000-7協議標準。讀寫器到標簽的通信數據格式參見表2,其中用戶ID、標簽ID和參數為可選項,由命令類型決定是否選用。標簽到讀寫器廣播式響應的通信數據格式參見表3。

● 軟件配置
在整個系統的軟件設計中,無線射頻數據的傳輸是最主要的部分。首先要對nRF9E5進行初始化配置,這可以通過設置RF配置寄存器來完成,配置內容包括工作頻率、輸出功率、自動重發功能、校驗碼長度等。部分代碼如下。
#define HFREQ_PLL 0 // 0=433MHz, 1=868/915MHz
#define PA_PWR 3 // 0=最小功率,…,3 =最大功率
#define CRC_MODE 1 // 0=8位校驗碼,1=16位校驗碼
……
無線數據發送和接收的流程分別如圖6和圖7所示。圖中TRX_CE為發送和接收使能寄存器位,DR為數據就緒寄存器位,AM為地址匹配寄存器位,AUTO_RETRAN為自動重發寄存器位。ShockBurst工作模式在前文已有介紹。

圖6 nRF9E5發送數據流程

圖7 nRF9E5接受數據流程
本系統防碰撞問題尚未完全解決,在實際應用中,需要重點考慮。除前文提到nRF9E5的載波檢測功能外,還需要有專門的防碰撞算法。目前,用的較多的方法是ALOHA法和二進制樹搜索算法,以及由它們改進發展得到的一系列算法,見參考文獻5~7。
結束語
nRF9E5是目前外接元件需求最少的單片RF收發芯片之一,覆蓋了國際上通用的ISM頻段,具有很多優良的特性,適于構建各種無線數傳通信平臺,文中將其應用于RFID系統中,設計了一套有源UHF RFID系統,實驗測試顯示,最大通信距離近100米,有效識別距離超過20米。這只是初步嘗試,更多工作需要深入研究,系統實用性有待于進一步驗證。
RFID技術已經發展得比較成熟并獲得了大規模商用,但超高頻RFID技術相對滯后。本文分析了射頻芯片nRF9E5的功能特性,并將其用于RFID系統中,設計了一套有源超高頻(UHF)RFID系統。
射頻芯片的選取
目前,發展較為成熟的RFID系統主要是125kHz和13.56MHz系統,相應的RFID專用芯片也較多,主要有TI公司的S6700系列,NXP公司的MIFARE系列等。然而,用于UHF RFID的專用芯片卻很少,TI公司和NXP公司雖然宣稱已經量產符合Gen2的RFID芯片,但由于各種因素,還沒能真正大量投入使用。再者,為了滿足用戶對遠識別距離的要求,一般需使用有源UHF RFID系統,而目前有源UHF RFID專用芯片更是難覓其蹤。所以,需要尋找一款適合超高頻RFID且易于開發的低成本射頻芯片,來設計有源
UHF RFID系統。
隨著集成電路產業的發展,8051內核已經被集成到各種片上系統(SoC)中,這些SoC具有更多的功能、更快的速度、更小的體積和功耗,同時可以繼續使用8051 MCU幾十年來積累的各種應用軟件資源,具有廣闊的發展空間。許多國際知名公司,如TI、ATMEL、Chipcon、Nordic等都推出了各種兼容8051內核的新一代短距離無線通信芯片,Chipcon在2006年初被TI公司所收購。通過分析比較發現,Chipcon公司的CC1010和Nordic公司的nRF9E5都可用于UHF RFID系統,而nRF9E5體積更小、成本更低,且具有一些獨特的功能。
nRF9E5功能分析
● 結構組成
nRF9E5內嵌8051兼容微控制器、RF收發器和4通道10位A/D轉換器,其功能結構如圖1所示。

圖1 nRF9E5功能結構框圖
nRF9E5的片內微控制器與標準8051兼容,指令時序與標準8051稍有區別。中斷控制器支持5個擴展中斷源:ADC中斷、SPI中斷、喚醒中斷和兩個無線收發中斷。此外,還擴展了兩個數據指針,使得片外RAM存取數據更為方便。
nRF9E5內置收發器具有與單片射頻收發器nRF905相同的功能,可通過片內MCU的并行口或SPI口與微控制器通信。收發器由頻率合成器、功率放大器、調制器和接收單元組成。輸出功率、頻道和其他射頻參數可通過對特殊功能寄存器RADIO編程進行控制。在發射模式(TX)下,最小工作電流僅為9mA(輸出功率-10dBm),接收(RX)模式下的工作電流為12.5mA,掉電模式下的工作電流僅為2.5μA。可見,nRF9E5的功耗很低,比較適宜應用到有源RFID系統中,以延長電池壽命。
● 載波檢測
載波檢測是nRF9E5的一大特色功能。在ShockBurst接收方式下,當工作信道內有射頻載波出現時,載波檢測引腳(CD)被置高。也就是說,當收發器準備發送數據時,它首先進入接收模式并檢測所工作的信道是否可以發送數據(信道是否空閑),這是一種簡單的傳輸前監聽協議。載波檢測的標準一般比靈敏度低5dB,比如,靈敏度為-100dBm,載波檢測功能探測低至-105dBm的載波。這個特性很好地避免了同一工作頻率下不同發射器數據包之間的碰撞,對于解決RFID系統中的碰撞問題很有幫助。
● ShockBurst工作模式
nRF9E5采用Nordic公司的ShockBurst技術(自動處理前綴、地址和CRC),實現低速數據輸入,高速數據輸出,從而降低了系統的平均功耗。在ShockBurst接收模式下,當收到一個有效地址的射頻數據包時,地址匹配寄存器(AM)和數據就緒寄存器(DR)通知片內MCU把數據讀出。在ShockBurst發送模式下,nRF905自動給要發送的數據加上前綴和CRC校驗碼。當數據發送完后,數據就緒寄存器(DR)會通知MCU數據已經處理完畢。當系統沒有發送和接收任務時,將進入空閑方式。ShockBurst技術降低了MCU存儲器需求,同時也縮短了軟件開發時間。
有源UHF RFID系統設計
● 硬件設計
電子標簽和讀寫器是RFID系統中最重要的硬件組成部分,將nRF9E5芯片應用于有源UHF RFID系統(工作頻率為433MHz)中,設計有源電子標簽電路和讀寫器框圖。
有源RFID系統中的電子標簽是自帶電池的,可以主動發送信號,而不像無源標簽需要讀寫器發出的無線電波能量激活才能工作。nRF9E5具有小體積、低功耗、優越的電源管理方式和極少的外圍器件等特點,非常適用于有源電子標簽中。

圖2 有源標簽基本框圖
圖2是有源標簽的基本框圖,其中電池可采用普通的3V紐扣電池,圖3是射頻收發電路的原理圖,ANT1和ANT2為天線連接引腳,采用PCB環形差分天線,可以進一步減小標簽的體積。25320為EEPROM,在nRF9E5上電后,系統根據引導程序,把25320中的程序代碼拷貝到nRF9E5的4KB RAM中。晶振工作頻率為16MHz,為了得到精確的內部偏置電壓,通常在引腳IREF和地之間接一個阻值為22kΩ,誤差為1%的電阻。

圖3 射頻收發電路圖
RFID讀寫器的任務是控制射頻模塊向標簽發射讀取信號,并接收標簽的應答,對標簽的對象標識信息進行解碼,將對象標識信息連帶標簽上其他相關信息傳輸到主機以供處理。讀寫器基本結構如圖4所示,可以將讀寫器簡化為控制系統和由射頻收發器組成的射頻模塊兩個基本的功能塊。

圖4 讀寫器基本結構
控制系統通常采用ASIC組件和微處理器來實現,主要功能有:與應用系統軟件進行通信,并執行從應用系統軟件發來的動作指令;控制與標簽的通信過程;信號的編碼與解碼;執行防碰撞算法;對讀寫器和標簽之間傳送的數據進行加密和解密;進行讀寫器和標簽之間的身份驗證。射頻模塊的主要功能是:產生高頻發射能量;對發射信號進行調制,用于將數據傳輸給標簽;接收并解調來自標簽的射頻信號。
在所設計的系統中,讀寫器中的射頻模塊與有源標簽中的射頻模塊電路類似,只是為了更有效地傳輸射頻信號,采用單端連接的50Ω阻抗天線,需要在芯片天線連接引腳和天線之間加一個匹配網絡,如圖5所示。

圖5 射頻匹配網絡
控制系統中的微控制器可采用高性能的單片機或ARM處理器,數字處理單元可以采用DSP或FPGA進行設計,而RS-232串口、以太網口是為和PC提供更多的接口選擇,這些內容很多文獻已做了大量研究,這里不再詳述。在本系統中,采用三星的ARM9 S3C2440A作為微控制器,將Xilinx Spartan-3E系列FPGA XC3S500E用作數字處理單元。
● 通信協議標準
由于讀寫器與標簽之間的通信可能會受到其他數據終端或外界環境的干擾而發生錯誤,因此,需要通信協議來保證數據傳輸的可靠性。nRF9E5的協議格式參見表1,其中,前綴就是數據頭,設備地址包括讀寫器地址和標簽地址,CRC校驗碼可選為8位或16位。
目前生產RFID產品的很多公司都采用自己的協議標準,國際上還沒有統一的標準。就發展趨勢來看,對于超高頻(UHF)RFID系統,ISO/IEC 18000-7(針對433MHz有源RFID系統)和EPCglobal Class1 Gen2(針對860MHz~960MHz無源RFID系統)協議標準,有望成為統一的國際標準。本文所設計的RFID系統通信協議依據ISO/IEC 18000-7協議標準。讀寫器到標簽的通信數據格式參見表2,其中用戶ID、標簽ID和參數為可選項,由命令類型決定是否選用。標簽到讀寫器廣播式響應的通信數據格式參見表3。

● 軟件配置
在整個系統的軟件設計中,無線射頻數據的傳輸是最主要的部分。首先要對nRF9E5進行初始化配置,這可以通過設置RF配置寄存器來完成,配置內容包括工作頻率、輸出功率、自動重發功能、校驗碼長度等。部分代碼如下。
#define HFREQ_PLL 0 // 0=433MHz, 1=868/915MHz
#define PA_PWR 3 // 0=最小功率,…,3 =最大功率
#define CRC_MODE 1 // 0=8位校驗碼,1=16位校驗碼
……
無線數據發送和接收的流程分別如圖6和圖7所示。圖中TRX_CE為發送和接收使能寄存器位,DR為數據就緒寄存器位,AM為地址匹配寄存器位,AUTO_RETRAN為自動重發寄存器位。ShockBurst工作模式在前文已有介紹。

圖6 nRF9E5發送數據流程

圖7 nRF9E5接受數據流程
本系統防碰撞問題尚未完全解決,在實際應用中,需要重點考慮。除前文提到nRF9E5的載波檢測功能外,還需要有專門的防碰撞算法。目前,用的較多的方法是ALOHA法和二進制樹搜索算法,以及由它們改進發展得到的一系列算法,見參考文獻5~7。
結束語
nRF9E5是目前外接元件需求最少的單片RF收發芯片之一,覆蓋了國際上通用的ISM頻段,具有很多優良的特性,適于構建各種無線數傳通信平臺,文中將其應用于RFID系統中,設計了一套有源UHF RFID系統,實驗測試顯示,最大通信距離近100米,有效識別距離超過20米。這只是初步嘗試,更多工作需要深入研究,系統實用性有待于進一步驗證。