IC卡電子鎖芯片CIPH09特性及應用
IC卡電子鎖芯片CIPH09特性及應用
湘潭工學院 曾zhe 昭 長沙電力學院 扶蔚鵬
1. 芯片功能特性
CIPH09芯片是IC卡電子密碼鎖的核心,它具有密碼設置、插卡檢測、IC卡讀寫以及插卡開鎖等功能。修改密碼時,由鍵盤輸入的用戶密碼不僅被寫入密碼控制器的24C01A EEPROM中,同時也寫入用戶手持IC卡中;開鎖時,只要將手持IC卡插入IC卡座中即可將電控鎖體開啟,使用方便,開鎖快捷,特別適合老人等記憶力差的人員使用。此外,IC卡作開鎖鑰匙,通用性強,即便在丟失、損壞等情況下,也可借用別人的IC卡作臨時開鎖鑰匙,即將IC卡插入密碼控制的IC卡座上,在非密碼設置狀態下,由鍵盤輸入原密碼后再按一下“F”功能鍵,此時即可將輸入密碼寫入IC卡的備用存儲區域中,而且不影響被借用戶密碼信息。將該IC卡插入自己的IC卡座后,一方面將電控門鎖打開,另一方面清除IC卡備用存儲區中的密碼信息,以防別人持卡開啟自己的門鎖。
2. 芯片引腳功能
芯片引腳排列如圖1所示,芯片引腳功能說明如下:
RST:復位電路輸入端。
ALARM:報警信號輸出端,低電平有效。密碼控制器檢測無效卡插入時,該端輸出20s有效報警電平。
HD:按鍵指示輸出端,直接接蜂鳴器到電源或經270Ω限流電阻接二極管到電源。
XTAL1、XTAL2:晶體振蕩器接入端,接6MHz晶體振蕩器;
F:密碼設置功能鍵。由A、B、C三按鍵輸入十進制密碼,按“F”功能鍵后,在非密碼設置狀態,輸入的密碼僅寫入IC卡的備用存儲區域中;在密碼設置狀態,輸入的密碼不僅寫入IC卡的用戶存儲區中,而且也寫入密碼控制器的24C01A EEPROM用戶存儲區中。
A:密碼位數確認功能鍵,低電平有效。由B、C二鍵輸入一位十進制數后,按一下“A”鍵,十進制數被確認。
B:累加1功能鍵,低電平有效。連按該鍵可執行累加1的功能,最多可連按九次,超過九次后,按鍵操作無效。
C:累加3功能鍵,低電平有效。連按該鍵可執行累加3的功能,最多可連按三次,超過三次后,按鍵操作無效。
VDD:電源正,接2.7~6.0V直流電源。
GND:電源。
MEM:密碼設置輸入端,低電平有效。該端接地時為密碼設置狀態,懸空時為非密碼設置狀態。
OPEN:開鎖信號輸出端,低電平有效。當有效卡插入后,該端輸出1s開鎖脈沖。
VT1:密碼控制器中用戶密碼存儲器24C01A的電源控制輸出端,低電平有效。當密碼控制器中的CIPH09微電腦對24C01A存儲器進行讀寫操作時,該端輸出低電平,驅動三極管對24C01A的電源加電。
SCL1:時鐘信號輸出端,直接接密碼控制器中24C01A的SCL端。
SDA1:數據輸入輸出端,直接接密碼控制器中24C01A的SDA端。
VT2:IC卡的電源控制輸出端,低電平有效。當密碼控制器中的CIPH09微電腦對IC卡進行讀操作時,該端輸出低電平,驅動三極管對IC卡的電源加電。
SCL2:時鐘信號輸出端,直接接IC卡的SCL端。
SDA2:數據輸入輸出端,直接接IC卡的SDA端。
CHECK:IC卡插卡檢測輸入端。有卡插入時,該端輸入低電平,否則輸入高電平。
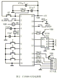
3. 應用電路
圖2是密碼控制器實用電路。密碼控制器由CIPH09微電腦芯片、24C01A用戶密碼存儲器、IC卡卡座、鍵盤輸入設備以及外圍電路組成。圖3是自制IC卡鑰匙觸點排列圖,實際上就是在一塊印制電路板上封裝了一片24C01A存儲器制成的IC卡鑰匙。

4. 使用方法
4.1 密碼設置方法
將“MEM”端接地,按一下“ST”鍵激活密碼控制器正常工作,然后將IC卡插入IC卡卡座中,由A、B、C組合輸入十進制數字密碼(密碼位數不超過十五位)后,再按一下“F”功能鍵,輸入的密碼分別寫入IC卡和密碼控制器中24C01A的用戶密碼存儲區中,并在“OPEN”端輸出1s開鎖脈沖,表示密碼設置完畢。拔出IC卡,將“MEM”端與地斷開,以防別人修改密碼。
4.2 密碼輸入舉例
如果輸入密碼:“1389619119”,其最快輸入方法是:
BA-CA-CCBBA-CCCA-CCA-BA-CCCA-BA-BA-CCCA
1 3 8 9 6 1 9 1 1 9
4.3 開鎖方法
按一下“ST”鍵激活密碼控制器正常工作,將存儲正確密碼的IC卡插入IC卡卡座中,電控門鎖將立即開啟。若有非法IC卡插入,“ALARM”端立即輸出20s報警電平,驅動報警電路發出報警聲。