低功耗無源超高頻射頻識別應答器芯片的射頻電路
作者:RFID世界網 收編
來源:21IC中國電子網
日期:2009-08-07 11:46:21
摘要:本文提出了一種符合ISO/IEC18000-6B標準的高性能低功耗無源超高頻(UHF)射頻識別(RFID)應答器芯片的射頻電路。該射頻電路除天線外無外接元器件,通過肖特基二極管整流器從射頻電磁場接收能量。
0 引 言
射頻識別(radio frequency idenlificatinn,RFID)是20世紀90年代興起的一種自動識別技術。RFID技術具有多種條形碼技術所不具備的優點,應用范圍十分廣泛,可應用于第二代公民身份證、城市一卡通、金融交易、供應鏈管理、電刊文費(ETC)、門禁控制、機場行李管理、公共運輸、集裝箱識別、畜牧管理等,因此,掌握制造RFID芯片的技術變得非常重要。目前,日益增長的應用需求對RFID芯片提出了更高的要求,要求其容量更大,成本更低,體積更小,數據速率更高。根據這種情況,本文提出了一種長距離、低功耗的無源超高頻UHF RFID應答器芯片射頻電路。
RFID常用工作頻率包括低頻125kHz、134.2kHz.高頻13.56MHz,超高頻860~930MHz,微波2.45GHz,5.8GHz 等.因為低頻125kHz、134.2kHz,高頻13.56MHz系統以線圈作為天線,采用電感禍合的方式,其工作距離較近,一般不超過1.2m,帶寬在歐洲及其他地區限制為幾千赫茲。但超高頻(860~93Uh1Hz)和微波(2.45GHz,5.8GHz)可以提供更遠的工作距離,更高的數據速率,更小的天線尺寸,因此成為RFID的熱點研究領域。
本論文提出的射頻電路芯片采用支持肖特基二極管和電可擦除可編程只讀存儲器(EEPROM)的Chartered 0.35μm 2P4M CM0S工藝進行流片。肖特基二極管具有較低的串聯電阻和正向電壓,在將接收到的射頻輸入信號能量轉換為直流電源供電時,能夠提供較高的轉換效率,從而降低功耗。在有效全向輻射功率(EIRP)為4W(36dBm)且天線增益為0dB的情況下,該射頻電路芯片工作在915MHz,其讀取距離大于3m,工作電流小于8μA。
1 射頻電路結構
圖1是UHF RF1D應答器芯片系統圖,其主要包含了射頻電路、邏輯控制電路和EEPROM。其中,射頻電路部分又可以分為以下幾個主要電路模塊:本地振蕩器和時鐘產生電路、上電復位電路、電壓參考源、匹配網絡和反向散射電路、整流器、穩壓器以及幅度調制(AM)解調器等。其中除天線外無外接元器件,天線部分采用偶極子結構,并通過匹配網絡與整流器的輸入阻抗進行匹配,作為整個芯片的唯一能量來源。其等效模型如圖2所示。偶極子天線阻抗的實部由Rra和Rloss,兩部分組成,其中Rra為偶極子天線的輻射阻抗,是偶極子天線固有的,一般為73Ω,它表征天線對外輻射電磁波的能力;Rloss為制作天線所用金屬帶來的歐姆電阻,一般只產生熱量。天線阻抗的虛部X一般為正值,這是因為天線一般來說總是對外呈現電感性,此等效電感的大小一般取決于天線的拓撲結構和基板材質。整流器將耦合到的射頻輸入信號功率轉換成芯片所需的直流電壓。穩壓器則將該直流電壓穩定在一定的電平上,并限制該直流電壓的幅度以保護芯片不會因電壓過高而擊穿。AM解調器用于從接收到的載波信號中提取相應的數據信號。反向散射電路通過可變電容來改變射頻電路的阻抗,從而將應答器數據發送到RFID詢問器或讀卡器。上電復位電路用于產生整個芯片的復位信號。與13.56MHz的高頻(HF)應答器不同,915MHz的UHF應答器不能從載波中分頻得到本地時鐘,而只能通過內建一個低功耗的本地振蕩器為數字邏輯電路部分提供時鐘。所有這些電路模塊將在下文中逐一詳細說明。
2.1 整流器和穩壓器電路
本論文采用肖特基二極管組成的Dickson電荷泵作為整流器電路,其電路原理圖如圖3所示。這是因為肖特基二極管具有較低的串聯電阻和結電容,在將接收到的射頻輸入信號能量轉換為直流電源供電時可以提供較高的轉換效率,從而降低功耗。全部肖特基二極管均通過poly-poly電容連接在一起,其中縱向電容在輸入電壓Vin的負半周期進行充電、儲能,而橫向電容在Vin的正半周期進行充電、儲能,從而產生直流高電壓,其產生的電壓為:
VDD=n·(Vp,RF-Vf,D)
其中Vp,RF是輸入射頻信號的幅度,Vf,D是肖特基二極管的正向電壓,n為所采用電荷泵的級數。
與13.56MHz的HF應答器不同,UHF頻段的RFID應答器采用偶極子天線。圖5是應答器與天線的SPICE(simulation program with integrated circuit emphasis)等效電路圖。在該等效SPICE電路模型中,接收到的射頻載波信號為Vs,天線的阻抗為Zs=Rs+jXL,可以看作是電壓源Vs的內阻,而應答器芯片的等效輸入阻抗則是ZL=RL-jXL。所以,當ZL=Zs*時,阻抗匹配,功率傳輸最大。在阻抗匹配的情況下,從帶有天線的應答器看去,得到的阻抗應該是Z=2RL,從而我們得到接收功耗Pre和電壓擺幅VS之間的關系為側:

為了達到阻杭匹配,電路還需要對匹配網絡進行阻抗變換,這樣才能使得天線的內阻和射頻電路部分的輸人阻抗達到共扼匹配,因此我們采用了L型匹配網絡。由于芯片集成電感成本較高,而且精度較低,所以我們利用天線的電感作為匹配電感,將匹配電容集成到芯片中去。經過計算,該射頻電路的輸入阻抗約為 (105-j406)Ω。
AM解調器電路用于將接收到的調制載波還原成數字信號供基帶處理,解調電路由包絡檢測電路、濾波電路和比較器三部分構成(如圖7所示),其中比較器采用遲滯比較器來降低誤碼率。包絡檢測器采用與整流器相同的電路來提取包絡信號。低通濾波器則用來消除噪聲信號以及電源上的紋波。最后,通過遲滯比較器將包絡信號在比較器的輸出端恢復為數字信號。
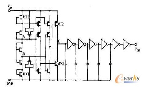
上電復位電路有兩個主要作用,一是當應答器進入詢問器或讀卡器的有效區域,電源電壓己經達到正常工作電位時,產生整個芯片的復位信號;其次是當電源電壓突然降低時,該電路可以通過復位防止邏輯電路出現功能錯誤。圖8是上電復位電路圖,該電路的上電復位延遲時間為10μs。當際從零開始不斷增大并超過起拉電壓2.4V時,P管MP1和N管MN1率先導通,使得A、B點電位從0開始隨著喻的增大而逐步上升,經過反相器,MP2和MN2管柵極電壓都隨著VDD的上升呈線性變化,所以在開始階段MN2導通,MP2截止,致使C點電壓一直為0(有效復位)。當VDD到達更高電位時,A點電位也同時上升到一定電平,使得MN2管截止,而此時MP2管導通,使C點電位迅速上升,經過幾級緩沖器,就得到了一個從邏輯0到1的跳變信號輸出,從而使電路開始正常工作。而后面的幾級緩沖器加電容負載的級聯是為了獲得大約10μs,的時間延遲,即當VDD高于2.4V且保持10μs后復位信號完成跳變,從而實現電路穩定工作,其仿真結果如圖9所示。
與13.56MHz的HF應答器不同,915MHz的UHF應答器不能從載波中分頻得到本地時鐘,而只能通過內建一個低功耗的本地振蕩器為數字邏輯電路部分提供時鐘,由于協議中規定時鐘頻率可以接受±30%的誤差,對于時鐘頻率的精度要求不高,因此可以采用比較簡單的振蕩器結構以降低芯片功耗。經過分析,我們決定采用奇數級全差分反相器組成的環形振蕩器,這不但可以很好地抑制共模電壓的變化,而且還可以獲得很好的電源抑制特性。圖10為本地振蕩器與時鐘產生電路原理圖。經過仿真測試,在考慮溫度、電源電壓和工藝角變化的全條件情況下,該電路輸出頻率約為250kHz ,其變化誤差保證了數據的位速率精度(bit rate accuracy)小于VDD15%,對邏輯電路性能沒有任何影響,較好的滿足了系統設計要求。圖11為仿真獲得的時鐘信號。
3 測試結果與分析
該射頻電路芯片采用支持肖特基二極管和EEPROM的Chartered 0.35μm 2P4M CMOS工藝進行流片。其不含I/O焊盤(PAD)的核心電路芯片面積為300μm×720μm。除兩個PAD用于連接外部天線以外,其余PAD均用于芯片功能測試。圖12為射頻電路芯片連接外部天線后與讀卡器進行通信測試獲得的波形圖,測試采用北京清華同方微電子有限公司符合ISO/IEC 18000-6B標準的THM6BC1-915型UHF RFID讀卡器進行。其中圖12(a)是在接收到讀卡器發射的射頻信號后,經過整流器和穩壓器電路得到的VDD波形,其平均值為3.3V,僅有小于 20mV的紋波,很好地滿足了設計指標要求。圖12(b)為經射頻電路芯片解調得到的由讀卡器發送的數字信號。經測試,在EIRP為4W(36dBm)且天線增益為OdB的情況下,該射頻電路芯片工作在915MHz,其讀取距離大于3m,工作電流小于8μA。
本論文提出了一種符合ISO/IEC 18000-6B標準的高性能低功耗無源UHF RFID應答器芯片射頻電路,該射頻電路工作于915MHz,除天線外無外接元器件,通過肖特基二極管整流器從射頻電磁場接收能量。采用支持肖特基二極管和EEPROM的Chartered 0.35μm 2P4M CMQS工藝進行流片,其核心面積為300μm×720μm。該RFID射頻電路包括本地振蕩器、時鐘產生電路、復位電路、匹配網絡和反向散射電路、整流器、穩壓器以及AM解調器等幾個主要模塊。本文通過對各模塊電路的設計與優化,設計出符合標準要求的低功耗射頻電路。采用符合ISO/IEC 18000-6B標準的THM6BC1-915Y2型UHF RFID讀卡器進行了測試,測試結果表明讀取距離大于3m,其結果很好的滿足了無源UHF RFID應答器系統的指標要求。
射頻識別(radio frequency idenlificatinn,RFID)是20世紀90年代興起的一種自動識別技術。RFID技術具有多種條形碼技術所不具備的優點,應用范圍十分廣泛,可應用于第二代公民身份證、城市一卡通、金融交易、供應鏈管理、電刊文費(ETC)、門禁控制、機場行李管理、公共運輸、集裝箱識別、畜牧管理等,因此,掌握制造RFID芯片的技術變得非常重要。目前,日益增長的應用需求對RFID芯片提出了更高的要求,要求其容量更大,成本更低,體積更小,數據速率更高。根據這種情況,本文提出了一種長距離、低功耗的無源超高頻UHF RFID應答器芯片射頻電路。
RFID常用工作頻率包括低頻125kHz、134.2kHz.高頻13.56MHz,超高頻860~930MHz,微波2.45GHz,5.8GHz 等.因為低頻125kHz、134.2kHz,高頻13.56MHz系統以線圈作為天線,采用電感禍合的方式,其工作距離較近,一般不超過1.2m,帶寬在歐洲及其他地區限制為幾千赫茲。但超高頻(860~93Uh1Hz)和微波(2.45GHz,5.8GHz)可以提供更遠的工作距離,更高的數據速率,更小的天線尺寸,因此成為RFID的熱點研究領域。
本論文提出的射頻電路芯片采用支持肖特基二極管和電可擦除可編程只讀存儲器(EEPROM)的Chartered 0.35μm 2P4M CM0S工藝進行流片。肖特基二極管具有較低的串聯電阻和正向電壓,在將接收到的射頻輸入信號能量轉換為直流電源供電時,能夠提供較高的轉換效率,從而降低功耗。在有效全向輻射功率(EIRP)為4W(36dBm)且天線增益為0dB的情況下,該射頻電路芯片工作在915MHz,其讀取距離大于3m,工作電流小于8μA。
1 射頻電路結構
圖1是UHF RF1D應答器芯片系統圖,其主要包含了射頻電路、邏輯控制電路和EEPROM。其中,射頻電路部分又可以分為以下幾個主要電路模塊:本地振蕩器和時鐘產生電路、上電復位電路、電壓參考源、匹配網絡和反向散射電路、整流器、穩壓器以及幅度調制(AM)解調器等。其中除天線外無外接元器件,天線部分采用偶極子結構,并通過匹配網絡與整流器的輸入阻抗進行匹配,作為整個芯片的唯一能量來源。其等效模型如圖2所示。偶極子天線阻抗的實部由Rra和Rloss,兩部分組成,其中Rra為偶極子天線的輻射阻抗,是偶極子天線固有的,一般為73Ω,它表征天線對外輻射電磁波的能力;Rloss為制作天線所用金屬帶來的歐姆電阻,一般只產生熱量。天線阻抗的虛部X一般為正值,這是因為天線一般來說總是對外呈現電感性,此等效電感的大小一般取決于天線的拓撲結構和基板材質。整流器將耦合到的射頻輸入信號功率轉換成芯片所需的直流電壓。穩壓器則將該直流電壓穩定在一定的電平上,并限制該直流電壓的幅度以保護芯片不會因電壓過高而擊穿。AM解調器用于從接收到的載波信號中提取相應的數據信號。反向散射電路通過可變電容來改變射頻電路的阻抗,從而將應答器數據發送到RFID詢問器或讀卡器。上電復位電路用于產生整個芯片的復位信號。與13.56MHz的高頻(HF)應答器不同,915MHz的UHF應答器不能從載波中分頻得到本地時鐘,而只能通過內建一個低功耗的本地振蕩器為數字邏輯電路部分提供時鐘。所有這些電路模塊將在下文中逐一詳細說明。

圖1 UHF RF1D應答器芯片系統圖

圖2 應答器天線的等效電學模型
2.1 整流器和穩壓器電路
本論文采用肖特基二極管組成的Dickson電荷泵作為整流器電路,其電路原理圖如圖3所示。這是因為肖特基二極管具有較低的串聯電阻和結電容,在將接收到的射頻輸入信號能量轉換為直流電源供電時可以提供較高的轉換效率,從而降低功耗。全部肖特基二極管均通過poly-poly電容連接在一起,其中縱向電容在輸入電壓Vin的負半周期進行充電、儲能,而橫向電容在Vin的正半周期進行充電、儲能,從而產生直流高電壓,其產生的電壓為:
VDD=n·(Vp,RF-Vf,D)
其中Vp,RF是輸入射頻信號的幅度,Vf,D是肖特基二極管的正向電壓,n為所采用電荷泵的級數。

圖3 整流器電路圖

圖4 穩壓器電路圖
與13.56MHz的HF應答器不同,UHF頻段的RFID應答器采用偶極子天線。圖5是應答器與天線的SPICE(simulation program with integrated circuit emphasis)等效電路圖。在該等效SPICE電路模型中,接收到的射頻載波信號為Vs,天線的阻抗為Zs=Rs+jXL,可以看作是電壓源Vs的內阻,而應答器芯片的等效輸入阻抗則是ZL=RL-jXL。所以,當ZL=Zs*時,阻抗匹配,功率傳輸最大。在阻抗匹配的情況下,從帶有天線的應答器看去,得到的阻抗應該是Z=2RL,從而我們得到接收功耗Pre和電壓擺幅VS之間的關系為側:

為了達到阻杭匹配,電路還需要對匹配網絡進行阻抗變換,這樣才能使得天線的內阻和射頻電路部分的輸人阻抗達到共扼匹配,因此我們采用了L型匹配網絡。由于芯片集成電感成本較高,而且精度較低,所以我們利用天線的電感作為匹配電感,將匹配電容集成到芯片中去。經過計算,該射頻電路的輸入阻抗約為 (105-j406)Ω。

圖5 應答器與天線的SPICE等效電路圖

圖6 反向散射電路圖
AM解調器電路用于將接收到的調制載波還原成數字信號供基帶處理,解調電路由包絡檢測電路、濾波電路和比較器三部分構成(如圖7所示),其中比較器采用遲滯比較器來降低誤碼率。包絡檢測器采用與整流器相同的電路來提取包絡信號。低通濾波器則用來消除噪聲信號以及電源上的紋波。最后,通過遲滯比較器將包絡信號在比較器的輸出端恢復為數字信號。

圖7 AM解調器原理圖
上電復位電路有兩個主要作用,一是當應答器進入詢問器或讀卡器的有效區域,電源電壓己經達到正常工作電位時,產生整個芯片的復位信號;其次是當電源電壓突然降低時,該電路可以通過復位防止邏輯電路出現功能錯誤。圖8是上電復位電路圖,該電路的上電復位延遲時間為10μs。當際從零開始不斷增大并超過起拉電壓2.4V時,P管MP1和N管MN1率先導通,使得A、B點電位從0開始隨著喻的增大而逐步上升,經過反相器,MP2和MN2管柵極電壓都隨著VDD的上升呈線性變化,所以在開始階段MN2導通,MP2截止,致使C點電壓一直為0(有效復位)。當VDD到達更高電位時,A點電位也同時上升到一定電平,使得MN2管截止,而此時MP2管導通,使C點電位迅速上升,經過幾級緩沖器,就得到了一個從邏輯0到1的跳變信號輸出,從而使電路開始正常工作。而后面的幾級緩沖器加電容負載的級聯是為了獲得大約10μs,的時間延遲,即當VDD高于2.4V且保持10μs后復位信號完成跳變,從而實現電路穩定工作,其仿真結果如圖9所示。

圖8 上電復位電路原理圖 
圖9 上電復位電路仿真結果
與13.56MHz的HF應答器不同,915MHz的UHF應答器不能從載波中分頻得到本地時鐘,而只能通過內建一個低功耗的本地振蕩器為數字邏輯電路部分提供時鐘,由于協議中規定時鐘頻率可以接受±30%的誤差,對于時鐘頻率的精度要求不高,因此可以采用比較簡單的振蕩器結構以降低芯片功耗。經過分析,我們決定采用奇數級全差分反相器組成的環形振蕩器,這不但可以很好地抑制共模電壓的變化,而且還可以獲得很好的電源抑制特性。圖10為本地振蕩器與時鐘產生電路原理圖。經過仿真測試,在考慮溫度、電源電壓和工藝角變化的全條件情況下,該電路輸出頻率約為250kHz ,其變化誤差保證了數據的位速率精度(bit rate accuracy)小于VDD15%,對邏輯電路性能沒有任何影響,較好的滿足了系統設計要求。圖11為仿真獲得的時鐘信號。

圖10 本地振蕩器與時鐘產生電路原理圖 
圖11 仿真得到的時鐘信號
3 測試結果與分析
該射頻電路芯片采用支持肖特基二極管和EEPROM的Chartered 0.35μm 2P4M CMOS工藝進行流片。其不含I/O焊盤(PAD)的核心電路芯片面積為300μm×720μm。除兩個PAD用于連接外部天線以外,其余PAD均用于芯片功能測試。圖12為射頻電路芯片連接外部天線后與讀卡器進行通信測試獲得的波形圖,測試采用北京清華同方微電子有限公司符合ISO/IEC 18000-6B標準的THM6BC1-915型UHF RFID讀卡器進行。其中圖12(a)是在接收到讀卡器發射的射頻信號后,經過整流器和穩壓器電路得到的VDD波形,其平均值為3.3V,僅有小于 20mV的紋波,很好地滿足了設計指標要求。圖12(b)為經射頻電路芯片解調得到的由讀卡器發送的數字信號。經測試,在EIRP為4W(36dBm)且天線增益為OdB的情況下,該射頻電路芯片工作在915MHz,其讀取距離大于3m,工作電流小于8μA。

圖12 射頻電路芯片的測試波形圖
本論文提出了一種符合ISO/IEC 18000-6B標準的高性能低功耗無源UHF RFID應答器芯片射頻電路,該射頻電路工作于915MHz,除天線外無外接元器件,通過肖特基二極管整流器從射頻電磁場接收能量。采用支持肖特基二極管和EEPROM的Chartered 0.35μm 2P4M CMQS工藝進行流片,其核心面積為300μm×720μm。該RFID射頻電路包括本地振蕩器、時鐘產生電路、復位電路、匹配網絡和反向散射電路、整流器、穩壓器以及AM解調器等幾個主要模塊。本文通過對各模塊電路的設計與優化,設計出符合標準要求的低功耗射頻電路。采用符合ISO/IEC 18000-6B標準的THM6BC1-915Y2型UHF RFID讀卡器進行了測試,測試結果表明讀取距離大于3m,其結果很好的滿足了無源UHF RFID應答器系統的指標要求。