基于 Zigbee 技術構建家用無線網絡
作者:RFID世界網 收編
來源:數智網
日期:2009-12-16 17:17:44
摘要:本文研究一種基于Zigbee技術的家用無線網絡平臺。分析了Zigbee網絡協議,探討了用Zigbee技術構建家用無線網絡的關鍵問題對網絡拓撲結構,網絡路由算法和網絡采樣策略等問題進行了討論并提出了解決方案通過構建的家用無線網絡對脈搏信號進行監護實驗。結果表明,基于Zigbee技術構建的家用無線網絡是可行的,該無線網絡在家庭監護中將有廣闊的應用前景。
本文研究一種基于Zigbee技術的家用無線網絡平臺。分析了Zigbee網絡協議,探討了用Zigbee技術構建家用無線網絡的關鍵問題對網絡拓撲結構,網絡路由算法和網絡采樣策略等問題進行了討論并提出了解決方案通過構建的家用無線網絡對脈搏信號進行監護實驗。結果表明,基于Zigbee技術構建的家用無線網絡是可行的,該無線網絡在家庭監護中將有廣闊的應用前景。
隨著計算機技術、通信技術、控制技術的發展和人們物質生活水平的提高,家居智能化的研究成為國內外的一個研究熱點。與此同時,隨著我國老齡化社會的加劇,通過易組織,低成本,高效率的家庭智能化網絡實現長期的家庭監護,對提高人們生活質量,減少醫療費用也具有重要意義。為此,提出了基于共享控制的家庭監護系統。
以前針對智能家居研究的網絡構建采用的無線方式有射頻(RF)技術,IEEE802。11及藍牙技術等。但這些技術都沒有完全滿足家庭網絡易組織、低成本、低功耗等要求。Zigbee協議是一種基于IEEE80215。4標準的無線協議,主要應用于低通信速率,低功耗設備的組網。該通信設備支持250kbit/s的數據傳輸速率,可以實現l點對多點的快速組網。鑒于Zigbee無線網絡的上述特點,可將其用于構建家用無線網絡平臺。
1、Zigbee網絡協議簡析
Zigbee網絡協議棧采用開放系統互連模型(OSI)。如圖2所示。每一層都實現一部分通信功能。并向高層提供服務。IEEE802。15。4標準只定義了PHY層和數據鏈路層的MAC子層PHY層由射頻收發器以及底層的控制模塊構成MAC子層為高層訪問物理信道提供點到點通信的服務接口。ZigbeeAlliance定義了網絡層、應用層與安全層規范。NWK負責網絡層工作,使用IEEE802。15。4MAC所提供的服務完成工作,并提供數據收發與管理服務供上層協議調用NWK之上的APS,ZDO應用框架與應用對象等都屬于應用支持層(APL)。APS使用NWK所提供的數據進行傳輸服務。
2、關鍵問題的考慮
2.1網絡拓撲結構的選擇
在Zigbee協議支持的3種網絡拓撲結構中,星形拓撲網絡最簡單。每個被監控設備可以作為精簡設備終端連接入網,節省能量,計算量小。在家庭監護系統中,設備可能分布在多個房間,被監護對象也可能在多個房間中活動,而星形網絡中節點的無線通信范圍很小(幾十米),網絡覆蓋范圍有限,不利于網絡功能的擴展。
網狀網絡中的每個節點都可以作為路由節點,因此,原節點的數據流可以通過多個路徑到達網絡控制點。如果某一個節點與網絡斷開,數據流可以選擇另一條路徑進行傳輸,因此具有較強的健壯性。但網絡中的設備都需是全功能設備,能量消耗大;同時,網絡中數據流的路由節點增加了網絡的延時。
族狀結構結合了星形結構和網狀結構的優點。為了節省能量,監控設備和生理數據采集終端可以作為網絡中的端節點,結構節點少。同時協調器可以作為網絡控制器采集網絡中的數據。網絡具有可擴展性,可以增加路由節點,擴展覆蓋范圍,因此該家用無線網絡采用族狀網絡拓撲結構。
2.2網絡路由協議的設計
路由協議直接關系到無線網絡的性能。路由協議設計的首要問題是要求其計算復雜度小,能耗小。其次由于被監護對象的移動性,網絡拓撲的結構可能發生改變,因此要能滿足動態路由的要求。
Zigbee支持Cluster-tree,AODVjr及兩者的混合模式等路由算法。AODVjr算法是針對AODV算法的改進,以達到計算量小及節能的目的,但算法較復雜,Cluster-tree算法適合樹狀拓撲結構。圖4為網絡樹層次結構圖。
圖中,Lm為最大網絡深度,Cm為最大的子節點數,Rm為子節點中最大的路由節點數。
節點的地址空間Cskip的計算公式為
式中:n為父節點地址;R為子節點序號1~Cm。
假設某個節點的地址是N,目標節點的地址是D,Cluster-tree路由算法如下:
①如果待傳輸數據的目的節點地址是本身地址,將數據包交上層處理,否則轉②。
②如果待傳輸數據的目標節點是自己的鄰居節點(路由表中有路由信息),直接發送數據給鄰居節點,否則轉③。
③判斷并轉發子節點或父節點地址。
如果D>N并且
,將數據包轉發給父節點;
如果D>N且D≤
,將數據包轉發給地址為
的子節點。
家用無線網絡大多數節點是靜止的,移動節點較少,可采用族狀拓撲結構。家庭網絡環境較好,鏈路穩定,節點干擾少,可以采用Cluster-tree算法作為其路由協議。這樣,網絡節點就不需要保存大量的路由信息,節省內存,計算復雜度低,能耗小。具體設計時,由于家庭監護網絡屬于小型網絡,網絡節點少,可以設定較少的網絡層次,以減少路由計算時間。
2.3數據采樣策略
設備狀態及發送速率較低的數據信息對無線網絡的性能要求較低,基于Zigbee技術構建的無線網絡可以滿足數據傳輸的帶寬要求和實現節點的節能。由于生理信號的傳輸是連續傳輸,因此需要考慮生理數據的采樣速率對能源消耗和網絡負載的影響。
當需要發送數據幀時,要通過網絡協議棧的每一層進行封裝,其中應用層的數據幀要小于80B。生理信號一般都屬于低頻信號(脈搏信號的有效頻率都在10Hz以下),在保證信號不失真的情況下,盡量用低采樣頻率,以減少數據傳輸量。同時,可以對采集的生理信號進行緩存打包,一起發送,以提高數據的發送效率,減少網絡節點的能量消耗。
3、家用無線網絡的實現
所構建的家庭監護網絡結構如圖5所示網絡拓撲結構采用族狀結構,設置Cm=2,Lm=2。無線網絡有一個網絡協調器(coordinator)。負責無線網絡的建立和網絡狀態管理。網絡協調器通過串口與PC機相連,將采集到的脈搏信號傳輸到計算機,以便對脈搏信號進行實時分析;其他無線節點可以連接家用設備,實現對它們的控制;將監護信息傳輸到網絡監護服務器。可實現監護信息的共享。
設計時應考慮到高頻電路對傳感器信號的干擾,傳感器調理電路與高頻發射接收部分可分開設計。天線設計是無線模塊設計的關鍵,直接影響到傳感器節點的通信質量和通信距離。可以參照常用的2。4GHz天線的設計方法本設計采用了偶極子微帶PCB板天線,所有銅箔走線均采用微帶傳輸線的原理。以減少發射引起的傳輸損耗,獲得了比較大的輸出功率和較高的接收靈敏度。GT60和MCl3192的供電電壓都是3V,系統可以采用紐扣電池供電其他節點的設計與脈搏傳感無線節點的設計相似。
4、實驗與結論
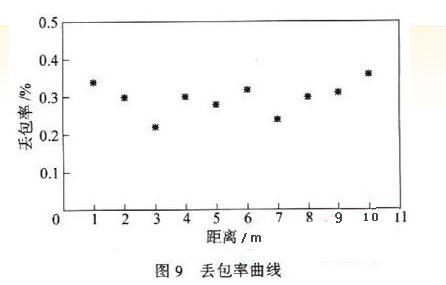
應用構建的家庭無線網絡平臺對被監護者的脈搏信號進行實時測試采樣頻率是150Hz,采用8位的A/D轉換器,該家用無線網絡可以正確地對脈搏信號進行采集。測試過程中,無線網絡能夠連續正常工作。為了測試網絡的丟包率,每隔10ms發送一個數據包,連續發送1000個數據包,丟失的數據包數除以總發送的數據包數得到丟包率;連續測量10次,求平均值。測得的丟包率與傳感節點與中心節點的距離的關系如圖9所示。
通過圖9可以看出,在點對點的距離小于10m時。丟包率小于1%,可以通過應用層設置重傳機制進一步降低丟包率,點對點通信距離為20~30m。傳感節點的電池可以連續工作3~5d。實驗驗證了構建的家用無線網絡進行脈搏信號監護的可行性。系統進一步擴展,可實現其他生理信號的無線監護。
隨著計算機技術、通信技術、控制技術的發展和人們物質生活水平的提高,家居智能化的研究成為國內外的一個研究熱點。與此同時,隨著我國老齡化社會的加劇,通過易組織,低成本,高效率的家庭智能化網絡實現長期的家庭監護,對提高人們生活質量,減少醫療費用也具有重要意義。為此,提出了基于共享控制的家庭監護系統。

以前針對智能家居研究的網絡構建采用的無線方式有射頻(RF)技術,IEEE802。11及藍牙技術等。但這些技術都沒有完全滿足家庭網絡易組織、低成本、低功耗等要求。Zigbee協議是一種基于IEEE80215。4標準的無線協議,主要應用于低通信速率,低功耗設備的組網。該通信設備支持250kbit/s的數據傳輸速率,可以實現l點對多點的快速組網。鑒于Zigbee無線網絡的上述特點,可將其用于構建家用無線網絡平臺。
1、Zigbee網絡協議簡析
Zigbee網絡協議棧采用開放系統互連模型(OSI)。如圖2所示。每一層都實現一部分通信功能。并向高層提供服務。IEEE802。15。4標準只定義了PHY層和數據鏈路層的MAC子層PHY層由射頻收發器以及底層的控制模塊構成MAC子層為高層訪問物理信道提供點到點通信的服務接口。ZigbeeAlliance定義了網絡層、應用層與安全層規范。NWK負責網絡層工作,使用IEEE802。15。4MAC所提供的服務完成工作,并提供數據收發與管理服務供上層協議調用NWK之上的APS,ZDO應用框架與應用對象等都屬于應用支持層(APL)。APS使用NWK所提供的數據進行傳輸服務。


2、關鍵問題的考慮
2.1網絡拓撲結構的選擇
在Zigbee協議支持的3種網絡拓撲結構中,星形拓撲網絡最簡單。每個被監控設備可以作為精簡設備終端連接入網,節省能量,計算量小。在家庭監護系統中,設備可能分布在多個房間,被監護對象也可能在多個房間中活動,而星形網絡中節點的無線通信范圍很小(幾十米),網絡覆蓋范圍有限,不利于網絡功能的擴展。
網狀網絡中的每個節點都可以作為路由節點,因此,原節點的數據流可以通過多個路徑到達網絡控制點。如果某一個節點與網絡斷開,數據流可以選擇另一條路徑進行傳輸,因此具有較強的健壯性。但網絡中的設備都需是全功能設備,能量消耗大;同時,網絡中數據流的路由節點增加了網絡的延時。
族狀結構結合了星形結構和網狀結構的優點。為了節省能量,監控設備和生理數據采集終端可以作為網絡中的端節點,結構節點少。同時協調器可以作為網絡控制器采集網絡中的數據。網絡具有可擴展性,可以增加路由節點,擴展覆蓋范圍,因此該家用無線網絡采用族狀網絡拓撲結構。
2.2網絡路由協議的設計
路由協議直接關系到無線網絡的性能。路由協議設計的首要問題是要求其計算復雜度小,能耗小。其次由于被監護對象的移動性,網絡拓撲的結構可能發生改變,因此要能滿足動態路由的要求。
Zigbee支持Cluster-tree,AODVjr及兩者的混合模式等路由算法。AODVjr算法是針對AODV算法的改進,以達到計算量小及節能的目的,但算法較復雜,Cluster-tree算法適合樹狀拓撲結構。圖4為網絡樹層次結構圖。

圖中,Lm為最大網絡深度,Cm為最大的子節點數,Rm為子節點中最大的路由節點數。
節點的地址空間Cskip的計算公式為

式中:n為父節點地址;R為子節點序號1~Cm。
假設某個節點的地址是N,目標節點的地址是D,Cluster-tree路由算法如下:
①如果待傳輸數據的目的節點地址是本身地址,將數據包交上層處理,否則轉②。
②如果待傳輸數據的目標節點是自己的鄰居節點(路由表中有路由信息),直接發送數據給鄰居節點,否則轉③。
③判斷并轉發子節點或父節點地址。
如果D>N并且
,將數據包轉發給父節點; 如果D>N且D≤
,將數據包轉發給地址為
的子節點。 家用無線網絡大多數節點是靜止的,移動節點較少,可采用族狀拓撲結構。家庭網絡環境較好,鏈路穩定,節點干擾少,可以采用Cluster-tree算法作為其路由協議。這樣,網絡節點就不需要保存大量的路由信息,節省內存,計算復雜度低,能耗小。具體設計時,由于家庭監護網絡屬于小型網絡,網絡節點少,可以設定較少的網絡層次,以減少路由計算時間。
2.3數據采樣策略
設備狀態及發送速率較低的數據信息對無線網絡的性能要求較低,基于Zigbee技術構建的無線網絡可以滿足數據傳輸的帶寬要求和實現節點的節能。由于生理信號的傳輸是連續傳輸,因此需要考慮生理數據的采樣速率對能源消耗和網絡負載的影響。
當需要發送數據幀時,要通過網絡協議棧的每一層進行封裝,其中應用層的數據幀要小于80B。生理信號一般都屬于低頻信號(脈搏信號的有效頻率都在10Hz以下),在保證信號不失真的情況下,盡量用低采樣頻率,以減少數據傳輸量。同時,可以對采集的生理信號進行緩存打包,一起發送,以提高數據的發送效率,減少網絡節點的能量消耗。
3、家用無線網絡的實現
所構建的家庭監護網絡結構如圖5所示網絡拓撲結構采用族狀結構,設置Cm=2,Lm=2。無線網絡有一個網絡協調器(coordinator)。負責無線網絡的建立和網絡狀態管理。網絡協調器通過串口與PC機相連,將采集到的脈搏信號傳輸到計算機,以便對脈搏信號進行實時分析;其他無線節點可以連接家用設備,實現對它們的控制;將監護信息傳輸到網絡監護服務器。可實現監護信息的共享。


設計時應考慮到高頻電路對傳感器信號的干擾,傳感器調理電路與高頻發射接收部分可分開設計。天線設計是無線模塊設計的關鍵,直接影響到傳感器節點的通信質量和通信距離。可以參照常用的2。4GHz天線的設計方法本設計采用了偶極子微帶PCB板天線,所有銅箔走線均采用微帶傳輸線的原理。以減少發射引起的傳輸損耗,獲得了比較大的輸出功率和較高的接收靈敏度。GT60和MCl3192的供電電壓都是3V,系統可以采用紐扣電池供電其他節點的設計與脈搏傳感無線節點的設計相似。

4、實驗與結論
應用構建的家庭無線網絡平臺對被監護者的脈搏信號進行實時測試采樣頻率是150Hz,采用8位的A/D轉換器,該家用無線網絡可以正確地對脈搏信號進行采集。測試過程中,無線網絡能夠連續正常工作。為了測試網絡的丟包率,每隔10ms發送一個數據包,連續發送1000個數據包,丟失的數據包數除以總發送的數據包數得到丟包率;連續測量10次,求平均值。測得的丟包率與傳感節點與中心節點的距離的關系如圖9所示。

通過圖9可以看出,在點對點的距離小于10m時。丟包率小于1%,可以通過應用層設置重傳機制進一步降低丟包率,點對點通信距離為20~30m。傳感節點的電池可以連續工作3~5d。實驗驗證了構建的家用無線網絡進行脈搏信號監護的可行性。系統進一步擴展,可實現其他生理信號的無線監護。