IC卡在有線電視收費系統中的應用
0 前言
在我國有線電視的收費大多采用人工收費。目前,我國有線電視收費管理存在的問題主要表現在:①入網戶數和收視用戶不吻合。造成電視臺財務統計困難。② 收費系統不健全,對用戶數量掌握不準確和對違規用戶缺乏有效制裁手段,使得收費工作難度較大。③收視費收取的成本過高且無法保證收費工作的按時準確完成。對有線電視節目信號進行加解擾處理是解決電視收費 的有效途徑。采用Ic進行密匙授權合作為付費載體,有很多優點。采用IC卡收費管理還帶動了整個有線電視臺管理水平,辦公自動化的提高,對于發展我國有線電視產業有積極意義。
1 解擾器控制原理
為了有效的支持加擾電視系統的運行,電視加擾的可靠性是十分重要的,其次是收費管理的方便性,采用Ic卡技術,具有極高的安全性,收費方便可靠。解擾器分成二大模塊,既讀卡模塊和解擾模塊。在讀卡模塊中:首先用戶先到指定地點交費,同時每個用戶都配有一張IC卡,通過寫卡器將IC卡輸入分配給用戶的密碼和根據所付費金額能使用有線電視的截止日期,用戶把卡插到讀卡器中,在讀卡器中讀出數據,驗證是否合法,密碼正確與否。并進行日期比較,如果沒有超期,則給解擾模塊一信號準許其工作,如果超期則不準許解擾器工作,用戶收到的只是被加擾的電視信號,無法正常收視,有效地實現了有線電視信號的自動控制(見圖1)。

圖1 加解擾系統及收費管理系統
2 IC卡解擾器硬件設計
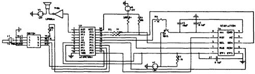
該設計的產品由于要由電臺免費配置給用戶,用戶量很大。為減輕電視臺的經濟負擔,因此,其成本一定要低。由于以上的原因,采用的器件主要為ATMEL公司生產的邏輯加密卡AT24CO1和小型單片機AT89C2051,89C2051是由ATMEL公司推出的一種小型單片機。1995年出現在中國市場。其主要特點為采用Flash存貯器技術,降低了制造成本,其軟件、硬件與Mcs一51完全兼容,可以很快被中國廣大用戶接受,其程序的電可擦寫特性,使得開發與試驗比較容易。以及由DallAs公司生產的時鐘芯片DS1302,IC卡插座為標準的插座。報警電路由非門和一個揚聲器構成,電阻R1,R2為上拉電阻,三級管用來控制卡座的上下電P。 為低電平時,三極管導通,卡座上電;反之,下電(見圖2)。

圖2 IC解擾器硬件原理圖
3 IC卡讀卡器軟件流程圖設計
在主程序中:首先,實現判斷是否有卡插入,這通過調用消顫子程序來完成。在這個程序中不僅可以判斷是否有卡插人,如果沒有則進入下電子程序,處于等待狀態。如果有,則給上電、復位子程序,給IC卡加上電源通電。并初始化IC卡,都完畢后開始讀取卡中的數據,存在單片機指定的地址中,這一步是通過讀卡子程序來完成的。完成后,單片機進人中斷來讀取時鐘芯片中的日期數據,同樣存人單片機指定的地址之內。讀數據都完成后,便開始了數據比較程序,來判斷是否合法,用戶有沒有權利收看有線電視。這一步是最關鍵的,如果判斷出錯,則會給報警程序一信號,來告知用戶。如果合法,接下來單片機會給出一信號到達解擾模塊,準許它工作,解擾被加密的電視信號,以便讓合法用戶收看到正常的電視信號。

圖3 流程圖
4 結論
通過對IC卡讀卡器的設計分析,給出了一種更為經濟合理的設計方法,該系統結構簡單,具有一定的可擴展性。一個突出的特點就是成本低,具有一定的市場開發價值。未來多功能Ic卡的普及,將使一張Ic卡可以作為家庭內控制有線電視入網許可,具有極高的安全性,并且實現并不復雜,對廣播電視的發展具有一定的實用價值。
參考文獻:
[1] 王愛英主編.智能卡技術[M].清華大學出版社,1996.
[2] 何立民.單片機應用文集[M].北京航空航天出版社,1993
作者簡介:
宋瑩瑩(1980-),女,黑龍江科技學院,黑龍江雞西人,助教,主要研究方向:數字圖像處理。
黑龍江科技學院,王宏民